запчасти для, поиск по VIN, подбор колес, узнать размерность колес, заказать запчасти, продажа запчастей, цены на автозапчасти для иномарок, продажа с доставкой в регионы, адреса фирм-поставщиков, авто дилеры, автосервисы, обслуживание авто
Логин Пароль


ГлавнаяКаталог FordWindstar 1994-2000 (WA)Кузов и частиSliding Side Load Door Controls (Door - Side (Sliding))


Sliding Side Load Door Controls (Door - Side (Sliding))

# Оригинальный
номер
Название Заказ
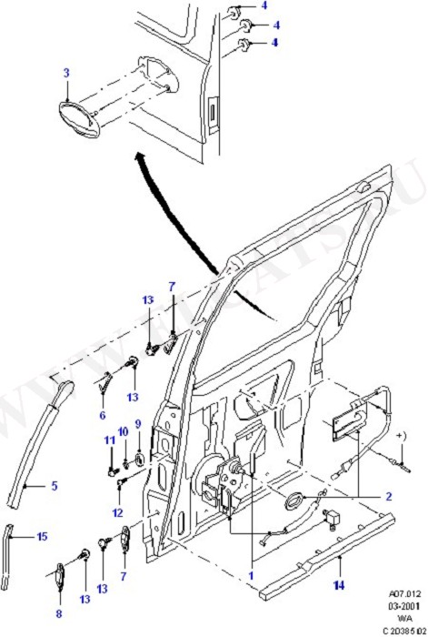
1 4144161 Latch from 15/11/1998 to 15/12/2000 | Заказать деталь

Искать в online прайсе
1 4664109 Latch from 15/11/1998 to 15/12/2000 | Заказать деталь

Искать в online прайсе
1 4797702 Latch from 15/11/1998 to 15/12/2000 | Заказать деталь

Искать в online прайсе
1 4797705 Latch from 15/11/1998 to 15/12/2000 | Заказать деталь

Искать в online прайсе
10 3541604 Bumper from 15/11/1998 to 15/12/2000 | Заказать деталь

Искать в online прайсе
11 3960390 Rivet from 15/11/1998 to 15/12/2000 | Заказать деталь

Искать в online прайсе
12 3791420 Bolt - Hex. Head - Flanged from 15/11/1998 to 15/12/2000 | Заказать деталь

Искать в online прайсе
13 3899890 Screw - Round Head from 15/11/1998 to 15/12/2000 | Заказать деталь

Искать в online прайсе
14 4117711 Weatherstrip - Door - Lower from 15/11/1998 to 15/12/2000 | Заказать деталь

Искать в online прайсе
14 4119376 Weatherstrip - Door - Lower from 15/11/1998 to 15/12/2000 | Заказать деталь

Искать в online прайсе
15 4701876 Shield - Protection - Front from 15/11/1998 to 15/12/2000 | Заказать деталь

Искать в online прайсе
2 4113613 Handle Assy - Door - Inner from 15/11/1998 to 15/12/2000 | Заказать деталь

Искать в online прайсе
2 4113293 Handle Assy - Door - Inner from 15/11/1998 to 15/12/2000 | Заказать деталь

Искать в online прайсе
3 4107883 Handle Assy - Door - Outer from 15/11/1998 to 15/12/2000 | Cabernet Red Заказать деталь

Искать в online прайсе
3 4603041 Handle Assy - Door - Outer from 15/11/1998 to 15/12/2000 | Black Заказать деталь

Искать в online прайсе
3 4603021 Handle Assy - Door - Outer from 15/11/1998 to 15/12/2000 | Black Заказать деталь

Искать в online прайсе
3 4107885 Handle Assy - Door - Outer from 15/11/1998 to 15/12/2000 | Royal Blue Заказать деталь

Искать в online прайсе
3 4107873 Handle Assy - Door - Outer from 15/11/1998 to 15/12/2000 | Royal Blue Заказать деталь

Искать в online прайсе
3 4107880 Handle Assy - Door - Outer from 15/11/1998 to 15/12/2000 | Silver Frost Заказать деталь

Искать в online прайсе
3 4107891 Handle Assy - Door - Outer from 15/11/1998 to 15/12/2000 | Silver Frost Заказать деталь

Искать в online прайсе
3 4107870 Handle Assy - Door - Outer from 15/11/1998 to 15/12/2000 | Cabernet Red Заказать деталь

Искать в online прайсе
4 1517893 Nut And Washer Assy - Hex. from 15/11/1998 to 15/12/2000 | Заказать деталь

Искать в online прайсе
5 4070237 Weatherstrip from 15/11/1998 to 15/12/2000 | Заказать деталь

Искать в online прайсе
5 4068574 Weatherstrip from 15/11/1998 to 15/12/2000 | Заказать деталь

Искать в online прайсе
6 3993195 Wedge Assy from 15/11/1998 to 15/12/2000 | Заказать деталь

Искать в online прайсе
7 4335788 Plate from 15/11/1998 to 15/12/2000 | Заказать деталь

Искать в online прайсе
8 3847714 Wedge Assy from 15/11/1998 to 15/12/2000 | Заказать деталь

Искать в online прайсе
9 3760442 Grommet from 15/11/1998 to 15/12/2000 | Заказать деталь

Искать в online прайсе

BBCode изображения узла для вставки в блог или на форум (спойлер)

BBCode ссылки на данную страницу для вставки в блог или на форум

HTML код ссылки на данную страницу для установки на сайт

Простая ссылка на данную страницу

Для добавления в социальные закладки, используйте иконки ниже

О проекте | Размещение рекламы | Партнеры | Статьи | Контакты | Добавить сайт в избранное
      По вопросам размещения рекламы на сайте
обращайтесь по телефону
8 (831) 413-63-27
©2009-2014 allspare.ru
Все права защищены