запчасти для, поиск по VIN, подбор колес, узнать размерность колес, заказать запчасти, продажа запчастей, цены на автозапчасти для иномарок, продажа с доставкой в регионы, адреса фирм-поставщиков, авто дилеры, автосервисы, обслуживание авто
Логин Пароль


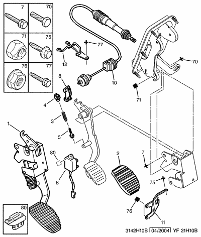
ГлавнаяКаталог PeugeotPARTNER(2)СЦЕПЛЕНИЕ - КОРОБКА ПЕРЕДАЧ[21H]ТРОСИК ПЕДАЛИ СЦЕПЛЕНИЯ ((2)СЦЕПЛЕНИЕ - КОРОБКА ПЕРЕДАЧ)


[21H]ТРОСИК ПЕДАЛИ СЦЕПЛЕНИЯ ((2)СЦЕПЛЕНИЕ - КОРОБКА ПЕРЕДАЧ)

# Оригинальный
номер
Название Заказ
01 2127 T5 ПЕДАЛЬ СЦЕПЛЕН. Заказать деталь

Искать в online прайсе
01 2127 T5 ПЕДАЛЬ СЦЕПЛЕН. Заказать деталь

Искать в online прайсе
01 2127 T6 ПЕДАЛЬ СЦЕПЛЕН. Заказать деталь

Искать в online прайсе
02 2130 13 КРЫШКА ПЕДАЛИ Заказать деталь

Искать в online прайсе
03 2148 37 ПРУЖИНА ГРУЗА Заказать деталь

Искать в online прайсе
04 2141 25 ЧАША ПЛАН.ПЕР. Заказать деталь

Искать в online прайсе
05 2141 26 ЧАША ПЛАН.ПЕР. Заказать деталь

Искать в online прайсе
06 2189 20 CONTACTEUR Заказать деталь

Искать в online прайсе
06 2189 20 CONTACTEUR Заказать деталь

Искать в online прайсе
07 5037 39 БОЛТ САМОНАРЕЗ. Заказать деталь

Искать в online прайсе
08 2128 22 ТЯГА ПОДВЕСКИ Заказать деталь

Искать в online прайсе
10 2150 CX ТРОС СЦЕПЛЕНИЯ начиная с 20051003O00010557 Заказать деталь

Искать в online прайсе
10 2150 CS ТРОС СЦЕПЛЕНИЯ до 20051002O00010556 Заказать деталь

Искать в online прайсе
11 2151 90 ФИКСАТОР КОЖУХА Заказать деталь

Искать в online прайсе
12 2151 E4 НАПРАВЛ. КАБЕЛЯ Заказать деталь

Искать в online прайсе
70 6921 20 ВИНТ С КОЛПАКОМ Заказать деталь

Искать в online прайсе
71 6939 83 САМОКОНТР.ГАЙКА Заказать деталь

Искать в online прайсе
75 6925 L4 БОЛТ С БУРТИКОМ Заказать деталь

Искать в online прайсе
76 6936 64 ГАЙКА С ОСНОВ. Заказать деталь

Искать в online прайсе
77 6923 78 БОЛТ САМОНАРЕЗ. Заказать деталь

Искать в online прайсе
80 6555 N7 ХОМУТ Заказать деталь

Искать в online прайсе

BBCode изображения узла для вставки в блог или на форум (спойлер)

BBCode ссылки на данную страницу для вставки в блог или на форум

HTML код ссылки на данную страницу для установки на сайт

Простая ссылка на данную страницу

Для добавления в социальные закладки, используйте иконки ниже

О проекте | Размещение рекламы | Партнеры | Статьи | Контакты | Добавить сайт в избранное
      По вопросам размещения рекламы на сайте
обращайтесь по телефону
8 (831) 413-63-27
©2009-2014 allspare.ru
Все права защищены