запчасти для, поиск по VIN, подбор колес, узнать размерность колес, заказать запчасти, продажа запчастей, цены на автозапчасти для иномарок, продажа с доставкой в регионы, адреса фирм-поставщиков, авто дилеры, автосервисы, обслуживание авто
Логин Пароль


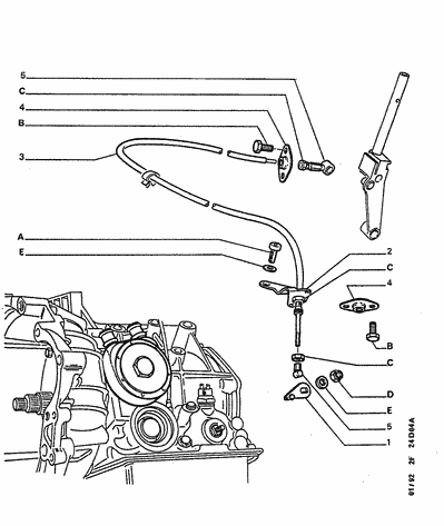
ГлавнаяКаталог Peugeot205(2)СЦЕПЛЕНИЕ - КОРОБКА ПЕРЕДАЧ[24D]РЫЧАГ УПРАВЛ. АВТОМ. КОРОБКОЙ ПЕРЕДАЧ ((2)СЦЕПЛЕНИЕ - КОРОБКА ПЕРЕДАЧ)


[24D]РЫЧАГ УПРАВЛ. АВТОМ. КОРОБКОЙ ПЕРЕДАЧ ((2)СЦЕПЛЕНИЕ - КОРОБКА ПЕРЕДАЧ)

# Оригинальный
номер
Название Заказ
01 2435 67 РЫЧАГ УПРАВЛЕН. до 19000101 1988 Заказать деталь

Искать в online прайсе
02 2437 12 ОПОРА КАБЕЛЯ до 19000101 1988 Заказать деталь

Искать в online прайсе
03 2444 E1 КАБЕЛЬ БЛ. УПР. Заказать деталь

Искать в online прайсе
04 2445 18 САЙЛЕНТБЛОК до 19000101 1988 Заказать деталь

Искать в online прайсе
05 2454 A4 ИНСТР.ДЛЯ ВТУЛ. до 19000101 1988 Заказать деталь

Искать в online прайсе
9A 6913 33 ШПИЛЬКА Заказать деталь

Искать в online прайсе
9B 6921 38 ВИНТ С КОЛПАКОМ Заказать деталь

Искать в online прайсе
9C 6932 28 ШЕСТИГРАН.ГАЙКА Заказать деталь

Искать в online прайсе
9D 6939 45 САМОКОНТР.ГАЙКА Заказать деталь

Искать в online прайсе
9E 6947 78 ПЛОСКАЯ ШАЙБА Заказать деталь

Искать в online прайсе

BBCode изображения узла для вставки в блог или на форум (спойлер)

BBCode ссылки на данную страницу для вставки в блог или на форум

HTML код ссылки на данную страницу для установки на сайт

Простая ссылка на данную страницу

Для добавления в социальные закладки, используйте иконки ниже

О проекте | Размещение рекламы | Партнеры | Статьи | Контакты | Добавить сайт в избранное
      По вопросам размещения рекламы на сайте
обращайтесь по телефону
8 (831) 413-63-27
©2009-2014 allspare.ru
Все права защищены