запчасти для, поиск по VIN, подбор колес, узнать размерность колес, заказать запчасти, продажа запчастей, цены на автозапчасти для иномарок, продажа с доставкой в регионы, адреса фирм-поставщиков, авто дилеры, автосервисы, обслуживание авто
Логин Пароль


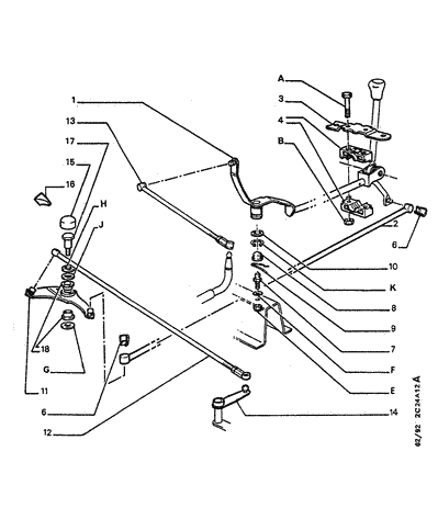
ГлавнаяКаталог Peugeot205(2)СЦЕПЛЕНИЕ - КОРОБКА ПЕРЕДАЧ[24A]РЫЧАГ ПЕРЕКЛЮЧ. РУЧНОЙ КОРОБКИ ПЕРЕДАЧ ((2)СЦЕПЛЕНИЕ - КОРОБКА ПЕРЕДАЧ)


[24A]РЫЧАГ ПЕРЕКЛЮЧ. РУЧНОЙ КОРОБКИ ПЕРЕДАЧ ((2)СЦЕПЛЕНИЕ - КОРОБКА ПЕРЕДАЧ)

# Оригинальный
номер
Название Заказ
01 2414 82 ШТОК УПР. КПП Заказать деталь

Искать в online прайсе
02 2414 96 ТЯГА КПП Заказать деталь

Искать в online прайсе
02 2414 91 ТЯГА КПП Заказать деталь

Искать в online прайсе
03 2415 36 СКОБА ПОДШИПН. Заказать деталь

Искать в online прайсе
04 2430 18 ПОЛУПОДШИПНИК Заказать деталь

Искать в online прайсе
06 2419 22 ПРОСТАВ.СТУПИЦЫ Заказать деталь

Искать в online прайсе
07 2436 38 НАКОН.РУЛ.ТЯГИ Заказать деталь

Искать в online прайсе
08 2436 39 ПОДШ.ВТЯГ.РЕЛЕ Заказать деталь

Искать в online прайсе
09 2436 40 ХОМУТ Заказать деталь

Искать в online прайсе
10 2436 41 ШАЙБА СТУПИЦЫ Заказать деталь

Искать в online прайсе
11 2449 64 ОБР.ПРОВ.БЛ.УП. Заказать деталь

Искать в online прайсе
11 2449 50 ОБР.ПРОВ.БЛ.УП. Заказать деталь

Искать в online прайсе
12 2452 46 КУЛИСА КПП Заказать деталь

Искать в online прайсе
12 2444 A8 КУЛИСА КПП Заказать деталь

Искать в online прайсе
13 2454 95 ТЯГА УПРАВЛ.КПП Заказать деталь

Искать в online прайсе
14 2450 34 ОТКРЫВ. РЫЧАГ Заказать деталь

Искать в online прайсе
15 2450 37 КОЛПАЧОК ВАЛА Заказать деталь

Искать в online прайсе
16 2451 34 ТЕРМОЭКРАН Заказать деталь

Искать в online прайсе
17 2170 09 ШПИНДЕЛЬ РЫЧАГА Заказать деталь

Искать в online прайсе
18 2175 05 ВТУЛКА ВАЛА Заказать деталь

Искать в online прайсе
9A 6921 41 ВИНТ С КОЛПАКОМ Заказать деталь

Искать в online прайсе
9B 6939 04 САМОКОНТР.ГАЙКА Заказать деталь

Искать в online прайсе
9E 6939 45 САМОКОНТР.ГАЙКА Заказать деталь

Искать в online прайсе
9F 6947 78 ПЛОСКАЯ ШАЙБА Заказать деталь

Искать в online прайсе
9G 6947 G6 ПЛОСКАЯ ШАЙБА Заказать деталь

Искать в online прайсе
9H 6947 47 ПЛОСКАЯ ШАЙБА Заказать деталь

Искать в online прайсе
9J 6962 63 ГИБКАЯ ШАЙБА Заказать деталь

Искать в online прайсе
9K 6979 25 СТОПОРН.КОЛЬЦО Заказать деталь

Искать в online прайсе

BBCode изображения узла для вставки в блог или на форум (спойлер)

BBCode ссылки на данную страницу для вставки в блог или на форум

HTML код ссылки на данную страницу для установки на сайт

Простая ссылка на данную страницу

Для добавления в социальные закладки, используйте иконки ниже

О проекте | Размещение рекламы | Партнеры | Статьи | Контакты | Добавить сайт в избранное
      По вопросам размещения рекламы на сайте
обращайтесь по телефону
8 (831) 413-63-27
©2009-2014 allspare.ru
Все права защищены