запчасти для, поиск по VIN, подбор колес, узнать размерность колес, заказать запчасти, продажа запчастей, цены на автозапчасти для иномарок, продажа с доставкой в регионы, адреса фирм-поставщиков, авто дилеры, автосервисы, обслуживание авто
Логин Пароль


ГлавнаяКаталог Peugeot205(2)СЦЕПЛЕНИЕ - КОРОБКА ПЕРЕДАЧ[22E]КАРТЕР АВТОМАТИЧЕСКОЙ КОРОБКИ ПЕРЕДАЧ ((2)СЦЕПЛЕНИЕ - КОРОБКА ПЕРЕДАЧ)


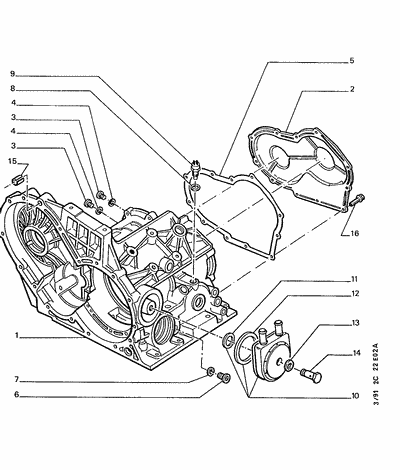
[22E]КАРТЕР АВТОМАТИЧЕСКОЙ КОРОБКИ ПЕРЕДАЧ ((2)СЦЕПЛЕНИЕ - КОРОБКА ПЕРЕДАЧ)

# Оригинальный
номер
Название Заказ
01 2206 Q1 КОЖУХ начиная с 19960602B0548854 Заказать деталь

Искать в online прайсе
02 2207 76 КРЫШКА КОР.ПЕР. Заказать деталь

Искать в online прайсе
03 2208 23 КРЫШ.СТУП.КОЛ. Заказать деталь

Искать в online прайсе
04 2106 06 УПЛОТНИТЕЛЬ СТ. Заказать деталь

Искать в online прайсе
05 2209 31 ПРОКЛ.КАРТЕРА Заказать деталь

Искать в online прайсе
06 2208 29 КРЫШ.СТУП.КОЛ. до 19910103B0256249 Заказать деталь

Искать в online прайсе
07 1166 15 УПЛОТНИТЕЛЬ СТ. до 19910103B0256249 Заказать деталь

Искать в online прайсе
08 2257 19 КОМПЛ. ШАЙБ Заказать деталь

Искать в online прайсе
09 2257 35 ПЕРЕКЛЮЧАТЕЛЬ Заказать деталь

Искать в online прайсе
09 2257 29 ПЕРЕКЛЮЧАТЕЛЬ Заказать деталь

Искать в online прайсе
10 2275 31 ОТСЕК.РАСПРЕД. начиная с 19911002B0301514 Заказать деталь

Искать в online прайсе
11 2275 25 ПРОКЛАДКА начиная с 19911002B0301514 Заказать деталь

Искать в online прайсе
12 2275 24 ПРОКЛАДКА начиная с 19911002B0301514 Заказать деталь

Искать в online прайсе
13 2275 27 УПЛОТНИТЕЛЬ СТ. Заказать деталь

Искать в online прайсе
14 2284 18 ГНЕЗДО БОЛТА начиная с 19911002B0301514 Заказать деталь

Искать в online прайсе
15 6968 42 ОПОРА Заказать деталь

Искать в online прайсе
16 2210 22 ВИНТ АКП Заказать деталь

Искать в online прайсе

BBCode изображения узла для вставки в блог или на форум (спойлер)

BBCode ссылки на данную страницу для вставки в блог или на форум

HTML код ссылки на данную страницу для установки на сайт

Простая ссылка на данную страницу

Для добавления в социальные закладки, используйте иконки ниже

О проекте | Размещение рекламы | Партнеры | Статьи | Контакты | Добавить сайт в избранное
      По вопросам размещения рекламы на сайте
обращайтесь по телефону
8 (831) 413-63-27
©2009-2014 allspare.ru
Все права защищены