запчасти для, поиск по VIN, подбор колес, узнать размерность колес, заказать запчасти, продажа запчастей, цены на автозапчасти для иномарок, продажа с доставкой в регионы, адреса фирм-поставщиков, авто дилеры, автосервисы, обслуживание авто
Логин Пароль


ГлавнаяКаталог Peugeot205(0)ДВИГАТЕЛЬ[02A]НАПРАВЛЯЮЩАЯ И СЕДЛО КЛАПАНА ГОЛОВКИ БЛ. ((0)ДВИГАТЕЛЬ)


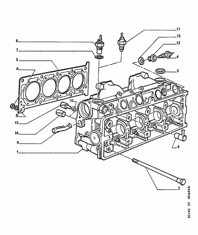
[02A]НАПРАВЛЯЮЩАЯ И СЕДЛО КЛАПАНА ГОЛОВКИ БЛ. ((0)ДВИГАТЕЛЬ)

# Оригинальный
номер
Название Заказ
01 0200 33 ГОЛОВ. ЦИЛИНДРА до 19860701 1987 Заказать деталь

Искать в online прайсе
01 0200 33 ГОЛОВ. ЦИЛИНДРА Заказать деталь

Искать в online прайсе
01 0200 34 ГОЛОВ. ЦИЛИНДРА начиная с 19000101 1987 Заказать деталь

Искать в online прайсе
02 0204 29 БОЛТ ГОЛОВ.ЦИЛ. Заказать деталь

Искать в online прайсе
02 0204 29 БОЛТ ГОЛОВ.ЦИЛ. Заказать деталь

Искать в online прайсе
03 0209 G8 ПРОКЛ.ГОЛ.ЦИЛ. Заказать деталь

Искать в online прайсе
03 0209 A7 ПРОКЛ.ГОЛ.ЦИЛ. Заказать деталь

Искать в online прайсе
03 0209 A6 ПРОКЛ.ГОЛ.ЦИЛ. Заказать деталь

Искать в online прайсе
03 0209 A6 ПРОКЛ.ГОЛ.ЦИЛ. начиная с 19851101 Заказать деталь

Искать в online прайсе
03 0209 A7 ПРОКЛ.ГОЛ.ЦИЛ. начиная с 19851101 Заказать деталь

Искать в online прайсе
03 0209 G8 ПРОКЛ.ГОЛ.ЦИЛ. до 19851101 Заказать деталь

Искать в online прайсе
04 1338 02 ДАТЧИК ТЕМПЕР. начиная с 19000102 1987 Заказать деталь

Искать в online прайсе
05 0232 12 КОЛЬЦО Заказать деталь

Искать в online прайсе
05 0232 12 КОЛЬЦО Заказать деталь

Искать в online прайсе
06 0242 33 ДАТЧИК ТЕМПЕР. Заказать деталь

Искать в online прайсе
06 0242 33 ДАТЧИК ТЕМПЕР. до 19880101 1988 Заказать деталь

Искать в online прайсе
06 0242 49 ДАТЧИК ТЕМПЕР. Заказать деталь

Искать в online прайсе
06 0242 36 ДАТЧИК ТЕМПЕР. Заказать деталь

Искать в online прайсе
06 0242 49 ДАТЧИК ТЕМПЕР. начиная с 19000101 1988 Заказать деталь

Искать в online прайсе
06 0242 36 ДАТЧИК ТЕМПЕР. до 19880101 1988 Заказать деталь

Искать в online прайсе
07 0243 01 УПЛОТНИТЕЛЬ СТ. Заказать деталь

Искать в online прайсе
07 0243 01 УПЛОТНИТЕЛЬ СТ. Заказать деталь

Искать в online прайсе
08 0245 36 ТОПЛ.ШЛ.С ПОДГ. Заказать деталь

Искать в online прайсе
08 0245 36 ТОПЛ.ШЛ.С ПОДГ. Заказать деталь

Искать в online прайсе
09 0245 37 ВОДЯНОЙ ШЛАНГ Заказать деталь

Искать в online прайсе
09 0245 37 ВОДЯНОЙ ШЛАНГ Заказать деталь

Искать в online прайсе
14 6968 43 ОПОРА Заказать деталь

Искать в online прайсе
14 6968 43 ОПОРА Заказать деталь

Искать в online прайсе
14 6968 35 ОПОРА Заказать деталь

Искать в online прайсе
14 6968 35 ОПОРА Заказать деталь

Искать в online прайсе
9A 6935 24 ШЕСТИГРАН.ГАЙКА Заказать деталь

Искать в online прайсе
9B 6948 02 ПЛОСКАЯ ШАЙБА Заказать деталь

Искать в online прайсе

BBCode изображения узла для вставки в блог или на форум (спойлер)

BBCode ссылки на данную страницу для вставки в блог или на форум

HTML код ссылки на данную страницу для установки на сайт

Простая ссылка на данную страницу

Для добавления в социальные закладки, используйте иконки ниже

О проекте | Размещение рекламы | Партнеры | Статьи | Контакты | Добавить сайт в избранное
      По вопросам размещения рекламы на сайте
обращайтесь по телефону
8 (831) 413-63-27
©2009-2014 allspare.ru
Все права защищены