запчасти для, поиск по VIN, подбор колес, узнать размерность колес, заказать запчасти, продажа запчастей, цены на автозапчасти для иномарок, продажа с доставкой в регионы, адреса фирм-поставщиков, авто дилеры, автосервисы, обслуживание авто
Логин
Пароль
забыли пароль?
КАТАЛОГ
АВТОФИРМ
РЕГИСТРАЦИЯ
ДЛЯ
АВТОСЕРВИСОВ И ДИЛЕРОВ
Главная
Каталог Peugeot
205
(0)ДВИГАТЕЛЬ
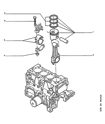
[06A]ШАТУН -ПОРШЕНЬ ((0)ДВИГАТЕЛЬ)
#
Оригинальный
номер
Название
Заказ
01
0628 51
КОМП. 4 ПОРШНЯ
Заказать деталь
Искать в online прайсе
01
0628 69
КОМП. 4 ПОРШНЯ
Заказать деталь
Искать в online прайсе
02
0640 E5
КОМП. 3 ПОРШ.К.
Заказать деталь
Искать в online прайсе
02
0640 G3
КОМП. 3 ПОРШ.К.
Заказать деталь
Искать в online прайсе
03
0603 20
КОМП. 4 ШАТУНОВ
Заказать деталь
Искать в online прайсе
04
0607 21
БОЛТ СОЕД.ШТЫР.
Заказать деталь
Искать в online прайсе
05
0606 43
КОМП. 8 ВКЛАД.
Заказать деталь
Искать в online прайсе
→
BBCode изображения узла для вставки в блог или на форум (спойлер)
→
BBCode ссылки на данную страницу для вставки в блог или на форум
→
HTML код ссылки на данную страницу для установки на сайт
→
Простая ссылка на данную страницу
→
Для добавления в социальные закладки, используйте иконки ниже
О проекте
|
Размещение рекламы
|
Партнеры
|
Статьи
|
Контакты
|
Добавить сайт в избранное
По вопросам размещения рекламы на сайте
обращайтесь по телефону
8 (831) 413-63-27
©2009-2014 allspare.ru
Все права защищены