запчасти для, поиск по VIN, подбор колес, узнать размерность колес, заказать запчасти, продажа запчастей, цены на автозапчасти для иномарок, продажа с доставкой в регионы, адреса фирм-поставщиков, авто дилеры, автосервисы, обслуживание авто
Логин Пароль


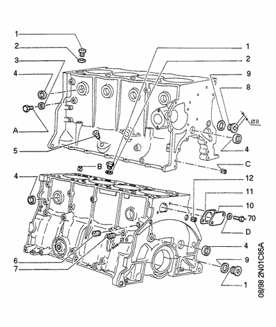
ГлавнаяКаталог Peugeot205(0)ДВИГАТЕЛЬ[01C]КОЖУХ ПОРШНЯ БЛОКА ЦИЛИНДРОВ ((0)ДВИГАТЕЛЬ)


[01C]КОЖУХ ПОРШНЯ БЛОКА ЦИЛИНДРОВ ((0)ДВИГАТЕЛЬ)

# Оригинальный
номер
Название Заказ
01 0163 93 РЕЗЬБОВАЯ ЗАГЛ. Заказать деталь

Искать в online прайсе
02 0164 30 УПЛОТНИТЕЛЬ СТ. Заказать деталь

Искать в online прайсе
03 0157 08 УПЛОТНИТЕЛЬ СТ. Заказать деталь

Искать в online прайсе
04 0234 03 КОЛЬЦО Заказать деталь

Искать в online прайсе
04 0233 11 КОЛЬЦО Заказать деталь

Искать в online прайсе
04 0233 10 КОЛЬЦО Заказать деталь

Искать в online прайсе
05 1213 06 ИНСТР.ДЛЯ ВТУЛ. Заказать деталь

Искать в online прайсе
06 0129 08 ПАТРУБОК Заказать деталь

Искать в online прайсе
07 0163 18 РЕЗЬБОВАЯ ЗАГЛ. Заказать деталь

Искать в online прайсе
08 0163 51 РЕЗЬБОВАЯ ЗАГЛ. Заказать деталь

Искать в online прайсе
09 4442 01 УПЛОТНИТЕЛЬ СТ. Заказать деталь

Искать в online прайсе
10 0145 23 ПЛАСТИНА Заказать деталь

Искать в online прайсе
11 0147 12 ПРОКЛАД.ПЛАСТ. Заказать деталь

Искать в online прайсе
12 0131 16 ОПОРА Заказать деталь

Искать в online прайсе
70 6921 A5 БОЛТ САМОНАРЕЗ. Заказать деталь

Искать в online прайсе
70 6922 22 БОЛТ САМОНАРЕЗ. Заказать деталь

Искать в online прайсе
70 6922 22 БОЛТ САМОНАРЕЗ. Заказать деталь

Искать в online прайсе
70 6921 A5 БОЛТ САМОНАРЕЗ. Заказать деталь

Искать в online прайсе
9A 6922 55 ВИНТ С КОЛПАКОМ Заказать деталь

Искать в online прайсе
9B 6968 35 ОПОРА Заказать деталь

Искать в online прайсе
9C 6968 52 ОПОРА Заказать деталь

Искать в online прайсе
9D 6962 13 ГИБКАЯ ШАЙБА Заказать деталь

Искать в online прайсе

BBCode изображения узла для вставки в блог или на форум (спойлер)

BBCode ссылки на данную страницу для вставки в блог или на форум

HTML код ссылки на данную страницу для установки на сайт

Простая ссылка на данную страницу

Для добавления в социальные закладки, используйте иконки ниже

О проекте | Размещение рекламы | Партнеры | Статьи | Контакты | Добавить сайт в избранное
      По вопросам размещения рекламы на сайте
обращайтесь по телефону
8 (831) 413-63-27
©2009-2014 allspare.ru
Все права защищены