запчасти для, поиск по VIN, подбор колес, узнать размерность колес, заказать запчасти, продажа запчастей, цены на автозапчасти для иномарок, продажа с доставкой в регионы, адреса фирм-поставщиков, авто дилеры, автосервисы, обслуживание авто
Логин Пароль


ГлавнаяКаталог Peugeot206(4)РУЛЕВОЕ УПРАВЛЕНИЕ И ТОРМОЗА[45A]КОНТАКТНЫЙ ПЕРЕКЛЮЧАТЕЛЬ ПЕДАЛИ ТОРМОЗА ((4)РУЛЕВОЕ УПРАВЛЕНИЕ И ТОРМОЗА)


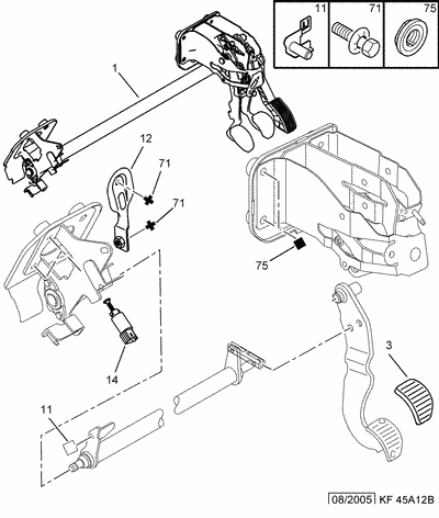
[45A]КОНТАКТНЫЙ ПЕРЕКЛЮЧАТЕЛЬ ПЕДАЛИ ТОРМОЗА ((4)РУЛЕВОЕ УПРАВЛЕНИЕ И ТОРМОЗА)

# Оригинальный
номер
Название Заказ
01 4500 G7 ПЕДАЛЬ Заказать деталь

Искать в online прайсе
03 4504 14 КРЫШКА ПЕДАЛИ Заказать деталь

Искать в online прайсе
11 4533 46 ПАЛЕЦ ТОЛКАТЕЛЯ Заказать деталь

Искать в online прайсе
12 4532 22 СТОЙКА ПОДВЕСКИ Заказать деталь

Искать в online прайсе
14 4534 40 ВЫКЛ.СТОП-СИГН. Заказать деталь

Искать в online прайсе
14 4534 40 ВЫКЛ.СТОП-СИГН. Заказать деталь

Искать в online прайсе
14 4534 44 ВЫКЛ.СТОП-СИГН. Заказать деталь

Искать в online прайсе
14 4534 44 ВЫКЛ.СТОП-СИГН. Заказать деталь

Искать в online прайсе
71 6922 E0 БОЛТ САМОНАРЕЗ. Заказать деталь

Искать в online прайсе
75 6935 09 ГАЙКА С ОСНОВ. Заказать деталь

Искать в online прайсе

BBCode изображения узла для вставки в блог или на форум (спойлер)

BBCode ссылки на данную страницу для вставки в блог или на форум

HTML код ссылки на данную страницу для установки на сайт

Простая ссылка на данную страницу

Для добавления в социальные закладки, используйте иконки ниже

О проекте | Размещение рекламы | Партнеры | Статьи | Контакты | Добавить сайт в избранное
      По вопросам размещения рекламы на сайте
обращайтесь по телефону
8 (831) 413-63-27
©2009-2014 allspare.ru
Все права защищены