запчасти для, поиск по VIN, подбор колес, узнать размерность колес, заказать запчасти, продажа запчастей, цены на автозапчасти для иномарок, продажа с доставкой в регионы, адреса фирм-поставщиков, авто дилеры, автосервисы, обслуживание авто
Логин Пароль


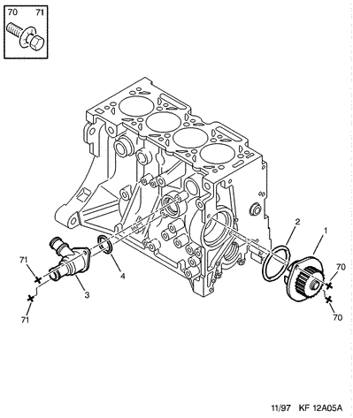
ГлавнаяКаталог Peugeot206(1)НАВЕСНОЕ ОБОРУДОВ. ДВИГАТЕЛЯ[12A]ВОДЯНОЙ НАСОС ПРОКЛАДКА ВЫХ.ВОД. БАЧОК ((1)НАВЕСНОЕ ОБОРУДОВ. ДВИГАТЕЛЯ)


[12A]ВОДЯНОЙ НАСОС ПРОКЛАДКА ВЫХ.ВОД. БАЧОК ((1)НАВЕСНОЕ ОБОРУДОВ. ДВИГАТЕЛЯ)

# Оригинальный
номер
Название Заказ
01 1201 E4 КРЫШКА ВОД.НАС. Заказать деталь

Искать в online прайсе
02 1206 A0 УПЛ.КОЛ.ЦИЛ.ПОД Заказать деталь

Искать в online прайсе
03 1201 C3 ВОДЯНОЙ БАЧОК Заказать деталь

Искать в online прайсе
04 1206 98 УПЛ.КОЛ.ЦИЛ.ПОД Заказать деталь

Искать в online прайсе
70 6923 G6 БОЛТ САМОНАРЕЗ. Заказать деталь

Искать в online прайсе
71 6922 54 БОЛТ САМОНАРЕЗ. Заказать деталь

Искать в online прайсе

BBCode изображения узла для вставки в блог или на форум (спойлер)

BBCode ссылки на данную страницу для вставки в блог или на форум

HTML код ссылки на данную страницу для установки на сайт

Простая ссылка на данную страницу

Для добавления в социальные закладки, используйте иконки ниже

О проекте | Размещение рекламы | Партнеры | Статьи | Контакты | Добавить сайт в избранное
      По вопросам размещения рекламы на сайте
обращайтесь по телефону
8 (831) 413-63-27
©2009-2014 allspare.ru
Все права защищены