запчасти для, поиск по VIN, подбор колес, узнать размерность колес, заказать запчасти, продажа запчастей, цены на автозапчасти для иномарок, продажа с доставкой в регионы, адреса фирм-поставщиков, авто дилеры, автосервисы, обслуживание авто
Логин Пароль


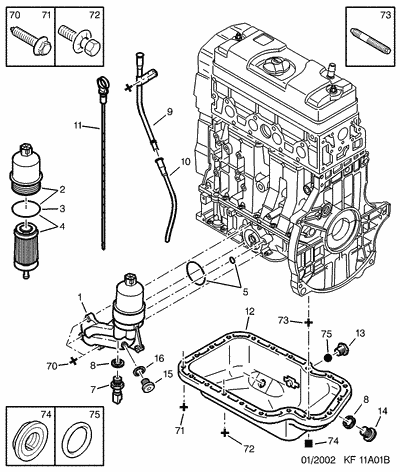
ГлавнаяКаталог Peugeot206(1)НАВЕСНОЕ ОБОРУДОВ. ДВИГАТЕЛЯ[11A]МАСЛОУЛОВИТЕЛЬ, ФИЛЬТР, ЩУП ((1)НАВЕСНОЕ ОБОРУДОВ. ДВИГАТЕЛЯ)


[11A]МАСЛОУЛОВИТЕЛЬ, ФИЛЬТР, ЩУП ((1)НАВЕСНОЕ ОБОРУДОВ. ДВИГАТЕЛЯ)

# Оригинальный
номер
Название Заказ
01 1103 H8 КРОНШ.СТЕКЛООЧ. Заказать деталь

Искать в online прайсе
02 1103 J5 КРЫШКА ФИЛЬТРА Заказать деталь

Искать в online прайсе
03 1103 J6 УПЛ.КОЛ.ЦИЛ.ПОД Заказать деталь

Искать в online прайсе
04 1109 R6 МАСЛЯНЫЙ ФИЛЬТР Заказать деталь

Искать в online прайсе
05 1103 J7 ПРОК.КОР.ФИЛЬТ. Заказать деталь

Искать в online прайсе
07 1131 C5 ВАКУУМ.ПЕРЕКЛ. Заказать деталь

Искать в online прайсе
08 0164 54 УПЛОТНИТЕЛЬ СТ. Заказать деталь

Искать в online прайсе
09 1171 E6 НАПР.МАСЛ.ЩУПА Заказать деталь

Искать в online прайсе
10 1171 E9 НАПР.МАСЛ.ЩУПА Заказать деталь

Искать в online прайсе
11 1174 75 МАСЛЯНЫЙ ЩУП до 20030518O00009687 Заказать деталь

Искать в online прайсе
11 1174 82 МАСЛЯНЫЙ ЩУП начиная с 20030519O00009688 Заказать деталь

Искать в online прайсе
12 0301 91 ПОДД.МАСЛ.КАРТ. до 20030518O00009687 Заказать деталь

Искать в online прайсе
12 0301 L6 ПОДД.МАСЛ.КАРТ. начиная с 20030519O00009688 Заказать деталь

Искать в online прайсе
13 1336 25 КРЫШ.СТУП.КОЛ. Заказать деталь

Искать в online прайсе
14 0163 93 МАС.СЛИВ.ПРОБКА Заказать деталь

Искать в online прайсе
15 0232 37 РЕЗЬБОВАЯ ЗАГЛ. Заказать деталь

Искать в online прайсе
16 0249 88 УПЛОТНИТЕЛЬ СТ. Заказать деталь

Искать в online прайсе
17 1131 E3 ДАТЧИК УР.МАСЛА Заказать деталь

Искать в online прайсе
17 1131 H4 ДАТЧИК УР.МАСЛА начиная с 20030602O00009702 Заказать деталь

Искать в online прайсе
17 1131 G3 ДАТЧИК УР.МАСЛА до 20030601O00009701 Заказать деталь

Искать в online прайсе
70 6925 69 БОЛТ С БУРТИКОМ Заказать деталь

Искать в online прайсе
71 6925 G5 БОЛТ С БУРТИКОМ Заказать деталь

Искать в online прайсе
72 6922 73 БОЛТ САМОНАРЕЗ. Заказать деталь

Искать в online прайсе
73 6930 74 ШПИЛ.БАЛ.ПОДВ. Заказать деталь

Искать в online прайсе
74 6936 A0 ГАЙКА С ФЛАНЦЕМ Заказать деталь

Искать в online прайсе
75 6988 67 УПЛОТНИТЕЛЬ СТ. Заказать деталь

Искать в online прайсе

BBCode изображения узла для вставки в блог или на форум (спойлер)

BBCode ссылки на данную страницу для вставки в блог или на форум

HTML код ссылки на данную страницу для установки на сайт

Простая ссылка на данную страницу

Для добавления в социальные закладки, используйте иконки ниже

О проекте | Размещение рекламы | Партнеры | Статьи | Контакты | Добавить сайт в избранное
      По вопросам размещения рекламы на сайте
обращайтесь по телефону
8 (831) 413-63-27
©2009-2014 allspare.ru
Все права защищены