запчасти для, поиск по VIN, подбор колес, узнать размерность колес, заказать запчасти, продажа запчастей, цены на автозапчасти для иномарок, продажа с доставкой в регионы, адреса фирм-поставщиков, авто дилеры, автосервисы, обслуживание авто
Логин Пароль


ГлавнаяКаталог Peugeot206(1)НАВЕСНОЕ ОБОРУДОВ. ДВИГАТЕЛЯ[17A]ПЕРЕДНИЙ ВЫПУСКНОЙ КОЛЛЕКТОР С КАТАЛ. ((1)НАВЕСНОЕ ОБОРУДОВ. ДВИГАТЕЛЯ)


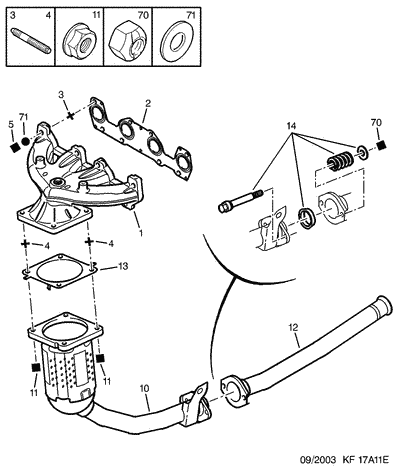
[17A]ПЕРЕДНИЙ ВЫПУСКНОЙ КОЛЛЕКТОР С КАТАЛ. ((1)НАВЕСНОЕ ОБОРУДОВ. ДВИГАТЕЛЯ)

# Оригинальный
номер
Название Заказ
01 0341 F9 ВПУСКН.КОЛЛЕКТ. Заказать деталь

Искать в online прайсе
01 0341 F9 ВПУСКН.КОЛЛЕКТ. Заказать деталь

Искать в online прайсе
02 0349 J3 УПЛОТНИТЕЛЬ СТ. Заказать деталь

Искать в online прайсе
02 0349 J3 УПЛОТНИТЕЛЬ СТ. Заказать деталь

Искать в online прайсе
03 0355 66 ШПИЛ.БАЛ.ПОДВ. Заказать деталь

Искать в online прайсе
03 0355 66 ШПИЛ.БАЛ.ПОДВ. Заказать деталь

Искать в online прайсе
04 0355 70 ШПИЛ.БАЛ.ПОДВ. Заказать деталь

Искать в online прайсе
04 0355 70 ШПИЛ.БАЛ.ПОДВ. Заказать деталь

Искать в online прайсе
05 0341 22 ГАЙКА С ОСНОВ. Заказать деталь

Искать в online прайсе
05 0341 22 ГАЙКА С ОСНОВ. Заказать деталь

Искать в online прайсе
10 1731 EX ГЛУШ.С КАТАЛИЗ. Заказать деталь

Искать в online прайсе
10 1731 EX ГЛУШ.С КАТАЛИЗ. Заказать деталь

Искать в online прайсе
11 1718 14 ГАЙКА С ОСНОВ. Заказать деталь

Искать в online прайсе
11 1718 14 ГАЙКА С ОСНОВ. Заказать деталь

Искать в online прайсе
12 1705 ZW ТРУБА Заказать деталь

Искать в online прайсе
12 1705 ZW ТРУБА Заказать деталь

Искать в online прайсе
13 1709 25 ПЕР.ПРОКЛ.ТРУБ. Заказать деталь

Искать в online прайсе
13 1709 25 ПЕР.ПРОКЛ.ТРУБ. Заказать деталь

Искать в online прайсе
14 1797 43 КОМПЛ.КРЕПЕЖА Заказать деталь

Искать в online прайсе
14 1797 43 КОМПЛ.КРЕПЕЖА Заказать деталь

Искать в online прайсе
70 6935 86 САМОКОНТР.ГАЙКА Заказать деталь

Искать в online прайсе
71 6947 83 ПЛОСКАЯ ШАЙБА Заказать деталь

Искать в online прайсе

BBCode изображения узла для вставки в блог или на форум (спойлер)

BBCode ссылки на данную страницу для вставки в блог или на форум

HTML код ссылки на данную страницу для установки на сайт

Простая ссылка на данную страницу

Для добавления в социальные закладки, используйте иконки ниже

О проекте | Размещение рекламы | Партнеры | Статьи | Контакты | Добавить сайт в избранное
      По вопросам размещения рекламы на сайте
обращайтесь по телефону
8 (831) 413-63-27
©2009-2014 allspare.ru
Все права защищены