запчасти для, поиск по VIN, подбор колес, узнать размерность колес, заказать запчасти, продажа запчастей, цены на автозапчасти для иномарок, продажа с доставкой в регионы, адреса фирм-поставщиков, авто дилеры, автосервисы, обслуживание авто
Логин Пароль


ГлавнаяКаталог Peugeot206(1)НАВЕСНОЕ ОБОРУДОВ. ДВИГАТЕЛЯ[18A]КРЕПЛЕНИЕ СИЛОВОГО АГРЕГАТА ((1)НАВЕСНОЕ ОБОРУДОВ. ДВИГАТЕЛЯ)


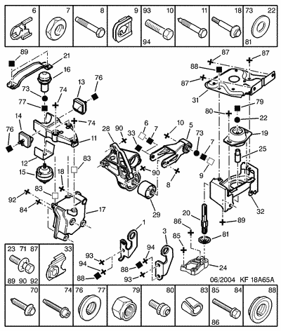
[18A]КРЕПЛЕНИЕ СИЛОВОГО АГРЕГАТА ((1)НАВЕСНОЕ ОБОРУДОВ. ДВИГАТЕЛЯ)

# Оригинальный
номер
Название Заказ
01 1880 83 ПОДЪЕМНЫЙ КРЮК Заказать деталь

Искать в online прайсе
03 1880 84 ПОДЪЕМНЫЙ КРЮК до 20000501O00008575 Заказать деталь

Искать в online прайсе
04 1880 90 ПОДЪЕМНЫЙ КРЮК начиная с 20000502O00008576 Заказать деталь

Искать в online прайсе
05 1806 37 ТЯГА ПОДВЕСКИ Заказать деталь

Искать в online прайсе
06 1812 32 ВТУЛКА ГАЙКИ до 20020901O00009428 Заказать деталь

Искать в online прайсе
07 1812 33 ШЕСТИГРАН.ГАЙКА до 20020901O00009428 Заказать деталь

Искать в online прайсе
08 1803 72 ВИНТ С КОЛПАКОМ Заказать деталь

Искать в online прайсе
09 1812 55 ВТУЛКА ГАЙКИ Заказать деталь

Искать в online прайсе
10 1803 71 ВИНТ С КОЛПАКОМ Заказать деталь

Искать в online прайсе
11 1839 65 КРОН.КРЕПЛЕНИЯ Заказать деталь

Искать в online прайсе
12 1846 86 ПРУЖИНА ГРУЗА Заказать деталь

Искать в online прайсе
13 1844 A6 ДЕМПФ.ПЕР.БАМП. Заказать деталь

Искать в online прайсе
14 1844 A2 ДЕМПФ.ПЕР.БАМП. Заказать деталь

Искать в online прайсе
15 1844 77 КРОН.КРЕПЛЕНИЯ Заказать деталь

Искать в online прайсе
16 1844 83 ДЕМПФ.ПЕР.БАМП. Заказать деталь

Искать в online прайсе
17 1807 T6 КРОН.КРЕПЛЕНИЯ Заказать деталь

Искать в online прайсе
18 1803 81 БОЛТ ВАЛА Заказать деталь

Искать в online прайсе
19 1844 68 КРОН.КРЕПЛЕНИЯ Заказать деталь

Искать в online прайсе
20 1803 67 БУФЕР ШТИФТА Заказать деталь

Искать в online прайсе
21 1846 82 КРОНШТ. КРЫШИ Заказать деталь

Искать в online прайсе
22 1841 05 ШАЙБА СТУПИЦЫ Заказать деталь

Искать в online прайсе
24 1807 Z5 КРОН.КРЕПЛЕНИЯ начиная с 20040401O00010006 Заказать деталь

Искать в online прайсе
24 1807 J6 КРОН.КРЕПЛЕНИЯ до 20040331O00010005 Заказать деталь

Искать в online прайсе
25 1814 29 ПРОСТАВ.СТУПИЦЫ Заказать деталь

Искать в online прайсе
28 1807 F7 КРОН.КРЕПЛЕНИЯ Заказать деталь

Искать в online прайсе
29 1809 21 САЙЛЕНТБЛОК Заказать деталь

Искать в online прайсе
31 1813 53 КРОН.КРЕПЛЕНИЯ Заказать деталь

Искать в online прайсе
32 1813 E5 КРОН.КРЕПЛЕНИЯ начиная с 20040405O00010010 Заказать деталь

Искать в online прайсе
32 1813 75 КРОН.КРЕПЛЕНИЯ начиная с 20010206O00008856до 20040404O00010009 Заказать деталь

Искать в online прайсе
32 1813 55 КРОН.КРЕПЛЕНИЯ до 20010205O00008855 Заказать деталь

Искать в online прайсе
33 1812 56 ВТУЛКА ГАЙКИ начиная с 20020902O00009429 Заказать деталь

Искать в online прайсе
73 6946 77 ПЛОСКАЯ ШАЙБА Заказать деталь

Искать в online прайсе
74 6918 A2 БОЛТ CZX RDL Заказать деталь

Искать в online прайсе
76 6936 80 КРЕПЕЖ Заказать деталь

Искать в online прайсе
77 6935 C6 КРЕПЕЖ Заказать деталь

Искать в online прайсе
79 6939 77 САМОКОНТР.ГАЙКА Заказать деталь

Искать в online прайсе
80 6925 N3 БОЛТ CBLX RDL Заказать деталь

Искать в online прайсе
81 6947 C3 ПЛОСКАЯ ШАЙБА Заказать деталь

Искать в online прайсе
83 6968 81 ОПОРА Заказать деталь

Искать в online прайсе
84 6922 F3 БОЛТ САМОНАРЕЗ. Заказать деталь

Искать в online прайсе
85 6922 G7 БОЛТ САМОНАРЕЗ. начиная с 20040401O00010006 Заказать деталь

Искать в online прайсе
86 6923 G7 БОЛТ САМОНАРЕЗ. начиная с 20040401O00010006 Заказать деталь

Искать в online прайсе
87 6921 99 БОЛТ САМОНАРЕЗ. Заказать деталь

Искать в online прайсе
88 6936 70 ГАЙКА С ОСНОВ. до 20000102O00008455 Заказать деталь

Искать в online прайсе
88 6936 70 ГАЙКА С ОСНОВ. начиная с 20000103O00008456 Заказать деталь

Искать в online прайсе
89 6923 78 БОЛТ САМОНАРЕЗ. Заказать деталь

Искать в online прайсе
90 6923 F5 БОЛТ САМОНАРЕЗ. до 20040411O00010016 Заказать деталь

Искать в online прайсе
90 6922 G7 БОЛТ САМОНАРЕЗ. начиная с 20040412O00010017 Заказать деталь

Искать в online прайсе
92 6918 71 БОЛТ САМОНАРЕЗ. Заказать деталь

Искать в online прайсе
93 6930 93 ВИНТ С КОЛПАКОМ начиная с 20000103O00008455до 20000501O00008575 Заказать деталь

Искать в online прайсе
93 6923 23 ВИНТ С КОЛПАКОМ до 20000102O00008455 Заказать деталь

Искать в online прайсе
93 6930 93 ВИНТ С КОЛПАКОМ начиная с 20000103O00008455до 20000501O00008575 Заказать деталь

Искать в online прайсе
93 6923 23 ВИНТ С КОЛПАКОМ до 20000102O00008455 Заказать деталь

Искать в online прайсе
94 6914 62 ВИНТ С КОЛПАКОМ начиная с 20000502O00008576 Заказать деталь

Искать в online прайсе
94 6914 62 ВИНТ С КОЛПАКОМ до 20000501O00008575 Заказать деталь

Искать в online прайсе

BBCode изображения узла для вставки в блог или на форум (спойлер)

BBCode ссылки на данную страницу для вставки в блог или на форум

HTML код ссылки на данную страницу для установки на сайт

Простая ссылка на данную страницу

Для добавления в социальные закладки, используйте иконки ниже

О проекте | Размещение рекламы | Партнеры | Статьи | Контакты | Добавить сайт в избранное
      По вопросам размещения рекламы на сайте
обращайтесь по телефону
8 (831) 413-63-27
©2009-2014 allspare.ru
Все права защищены