запчасти для, поиск по VIN, подбор колес, узнать размерность колес, заказать запчасти, продажа запчастей, цены на автозапчасти для иномарок, продажа с доставкой в регионы, адреса фирм-поставщиков, авто дилеры, автосервисы, обслуживание авто
Логин
Пароль
забыли пароль?
КАТАЛОГ
АВТОФИРМ
РЕГИСТРАЦИЯ
ДЛЯ
АВТОСЕРВИСОВ И ДИЛЕРОВ
Главная
Каталог Peugeot
206
(8)СИДЕНЬЯ КУЗОВА
[89Y]ЗАДНИЕ РЕМНИ БЕЗОПАСНОСТИ ((8)СИДЕНЬЯ КУЗОВА)
#
Оригинальный
номер
Название
Заказ
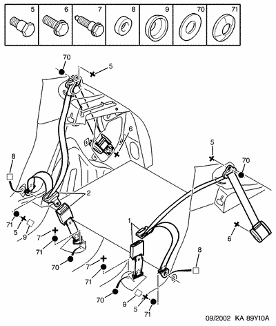
01
8973 TX
УЗЕЛ РЕМНЯ БЕЗ.
Заказать деталь
Искать в online прайсе
02
8973 TY
УЗЕЛ РЕМНЯ БЕЗ.
Заказать деталь
Искать в online прайсе
05
8973 QQ
ВИНТ РЕМНЯ
Заказать деталь
Искать в online прайсе
06
6921 C5
КОНУСНЫЙ БОЛТ
Заказать деталь
Искать в online прайсе
07
8978 JY
ВИНТ РЕМНЯ
Заказать деталь
Искать в online прайсе
08
8978 YJ
ПРОСТАВ.СТУПИЦЫ
Заказать деталь
Искать в online прайсе
09
8973 NP
КОЛПАК КОЛЕСА
Заказать деталь
Искать в online прайсе
70
6948 02
ПЛОСКАЯ ШАЙБА
Заказать деталь
Искать в online прайсе
71
6962 93
ГИБКАЯ ШАЙБА
Заказать деталь
Искать в online прайсе
→
BBCode изображения узла для вставки в блог или на форум (спойлер)
→
BBCode ссылки на данную страницу для вставки в блог или на форум
→
HTML код ссылки на данную страницу для установки на сайт
→
Простая ссылка на данную страницу
→
Для добавления в социальные закладки, используйте иконки ниже
О проекте
|
Размещение рекламы
|
Партнеры
|
Статьи
|
Контакты
|
Добавить сайт в избранное
По вопросам размещения рекламы на сайте
обращайтесь по телефону
8 (831) 413-63-27
©2009-2014 allspare.ru
Все права защищены