   

# |
Оригинальный номер |
Название |
Заказ |
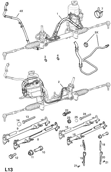
1 |
59 51 307 |
ТРУБКА,ЗУБЧАТАЯ ПЕРЕДАЧА РУЛЕВОГО ПРИВОДА С УСИЛИТЕЛЕМ К БАКУ,ЛСП |
|
2 |
59 51 308 |
ТРУБКА,ЗУБЧАТАЯ ПЕРЕДАЧА РУЛЕВОГО ПРИВОДА С УСИЛИТЕЛЕМ К БАКУ,ПСП |
|
3 |
09 50 930 |
УПЛОТНИТЕЛЬНОЕ КОЛЬЦО,7.8 X 1.7,ТРУБКА ПОДАЧИ К РУЛЕВОЙ ПЕРЕДАЧЕ |
|
4X |
16 09 668 |
КОМПЛЕКТ,РЕМОНТНЫЙ,ВОЗВРАТНАЯ ТРУБКА РУЛЕВОГО ПРИВОДА С УСИЛИТЕЛЕМ,ЛСП |
|
5X |
16 09 670 |
КОМПЛЕКТ,РЕМОНТНЫЙ,ВОЗВРАТНАЯ ТРУБКА РУЛЕВОГО ПРИВОДА С УСИЛИТЕЛЕМ,ПСП |
|
6 |
09 50 926 |
-КОЛЬЦ.УПЛОТНЕНИЕ,7.8 X 1.7 MM,ТРУБЫ ВОЗВРАТА И ДАВЛЕНИЯ |
|
→ BBCode изображения узла для вставки в блог или на форум (спойлер)
→ BBCode ссылки на данную страницу для вставки в блог или на форум
→ HTML код ссылки на данную страницу для установки на сайт
→ Простая ссылка на данную страницу
→ Для добавления в социальные закладки, используйте иконки ниже
|