   

# |
Оригинальный номер |
Название |
Заказ |
- |
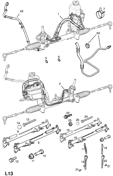
59 51 864 |
КРОНШТЕЙН,ТРУБА РУЛЕВОГО ПРИВОДА С УСИЛИТЕЛЕМ,ЛСП (ИСКЛЮЧАЯ OPC) |
|
22 |
09 50 918 |
ВИНТ,TORX,M5 X 11,КРОНШТЕЙН ТРУБКИ РУЛЕВОГО ПРИВОДА С УСИЛИТЕЛЕМ,ЛСП (ИСКЛЮЧАЯ OPC) |
|
7 |
09 51 955 |
ЗАЖИМ,ШЛАНГ,ОБРАТНЫЙ ШЛАНГ К БАЧКУ (ИСКЛЮЧАЯ OPC) |
|
7 |
09 50 720 |
ЗАЖИМ,ТРУБКА РУЛЕВОГО ПРИВОДА С УСИЛИТЕЛЕМ,ЛСП (ИСКЛЮЧАЯ OPC) |
|
→ BBCode изображения узла для вставки в блог или на форум (спойлер)
→ BBCode ссылки на данную страницу для вставки в блог или на форум
→ HTML код ссылки на данную страницу для установки на сайт
→ Простая ссылка на данную страницу
→ Для добавления в социальные закладки, используйте иконки ниже
|