   

# |
Оригинальный номер |
Название |
Заказ |
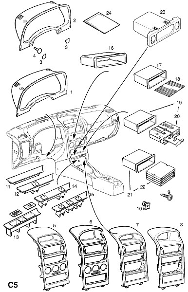
1 |
12 34 849 |
КРЫШКА,ПРИБОРЫ,ЧЕРН. (ИСКЛ.РЕГУЛИРУЕМУЮ РУЛЕВУЮ КОЛОНКУ) |
|
2 |
12 34 850 |
КРЫШКА,ПРИБОРЫ,ЧЕРН. (ДЛЯ РЕГУЛИРУЕМОЙ РУЛЕВОЙ КОЛОНКИ) (БНО.- ПРИМЕНЯТЬ 9105108 12 34 135) |
|
2 |
12 34 135 |
КРЫШКА,ПРИБОРЫ,ЧЕРН. (ДЛЯ РЕГУЛИРУЕМОЙ РУЛЕВОЙ КОЛОНКИ) |
|
3 |
12 34 960 |
-КОЛПАЧОК,ЗАГЛУШКА,ОБТЕКАТЕЛЬ ПРИБОРНОГО ЩИТКА,ЧЕРН. (ДЛЯ РЕГУЛИРУЕМОЙ РУЛЕВОЙ КОЛОНКИ) |
|
4 |
12 34 149 |
БАМПЕР,КРЫШКА ПРИБОРНОГО ЩИТКА |
|
→ BBCode изображения узла для вставки в блог или на форум (спойлер)
→ BBCode ссылки на данную страницу для вставки в блог или на форум
→ HTML код ссылки на данную страницу для установки на сайт
→ Простая ссылка на данную страницу
→ Для добавления в социальные закладки, используйте иконки ниже
|