   


# |
Оригинальный номер |
Название |
Заказ |
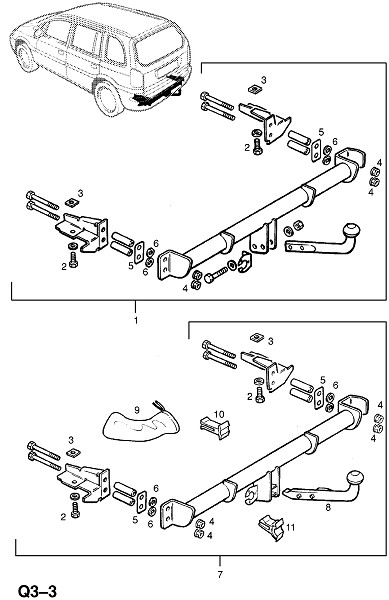
1 |
67 36 049 |
СЦЕПКА,В СБОРЕ,ТРЕЙЛЕРНАЯ (ТРЕЙЛЕРНАЯ НАГРУЗКА 1500 КГ,ПОДДЕРЖИВАЮЩАЯ НАГРУЗКА 75 КГ) (БНО.- ПРИМЕНЯТЬ 9162730 67 36 079) |
|
10 |
17 36 385 |
-ПРОБКА,ОТВЕРСТИЕ СЪЕМНОЙ БУКСИРНОЙ СЦЕПКИ,ТРЕЙЛЕРНАЯ СЦЕПКА (PEKA) |
|
11 |
67 36 270 |
-ПРОБКА,ОТВЕРСТИЕ СЪЕМНОЙ БУКСИРНОЙ СЦЕПКИ,ТРЕЙЛЕРНАЯ СЦЕПКА (ORIS) |
|
2 |
20 02 607 |
-ВИНТ,С ШЕСТИГР.ГОЛ.,M8 X 1.25 X 20,НИЖНЯЯ ЧАСТЬ ТРЕЙЛЕРНОЙ СЦЕПКИ К ЗАДНЕМУ ЛОНЖЕРОНУ |
|
2 |
20 02 607 |
ВИНТ,С ШЕСТИГР.ГОЛ.,M8 X 1.25 X 20,КРЕПЕЖНАЯ ПРОУШИНА И НИЖНЯЯ ЧАСТЬ ТРЕЙЛЕРНОЙ СЦЕПКИ К ЗАДНЕМУ ЛОНЖЕРОНУ |
|
2 |
20 02 607 |
ВИНТ,С ШЕСТИГР.ГОЛ.,M8 X 1.25 X 20,КРЕПЕЖНАЯ ПРОУШИНА И НИЖНЯЯ ЧАСТЬ ТРЕЙЛЕРНОЙ СЦЕПКИ К ЗАДНЕМУ ЛОНЖЕРОНУ |
|
2 |
20 02 607 |
-ВИНТ,С ШЕСТИГР.ГОЛ.,M8 X 1.25 X 20,НИЖНЯЯ ЧАСТЬ ТРЕЙЛЕРНОЙ СЦЕПКИ К ЗАДНЕМУ ЛОНЖЕРОНУ |
|
3 |
01 68 928 |
ЗАЖИМ,ГАЙКА,M8,КРЕПЕЖНАЯ ПРОУШИНА И НИЖНЯЯ ЧАСТЬ ТРЕЙЛЕРНОЙ СЦЕПКИ К ЗАДНЕМУ ЛОНЖЕРОНУ |
|
3 |
01 68 928 |
-ЗАЖИМ,ШАЙБА,M8,НИЖНЯЯ ЧАСТЬ ТРЕЙЛЕРНОЙ СЦЕПКИ К ЗАДНЕМУ ЛОНЖЕРОНУ |
|
3 |
01 68 928 |
ЗАЖИМ,ГАЙКА,M8,КРЕПЕЖНАЯ ПРОУШИНА И НИЖНЯЯ ЧАСТЬ ТРЕЙЛЕРНОЙ СЦЕПКИ К ЗАДНЕМУ ЛОНЖЕРОНУ |
|
3 |
01 68 928 |
-ЗАЖИМ,ШАЙБА,M8,НИЖНЯЯ ЧАСТЬ ТРЕЙЛЕРНОЙ СЦЕПКИ К ЗАДНЕМУ ЛОНЖЕРОНУ |
|
4 |
20 66 910 |
-ГАЙКА,ШЕСТИГР.,M10 X 1.5,НАРУЖНАЯ ЧАСТЬ ТРЕЙЛЕРНОЙ СЦЕПКИ К ЗАДНЕЙ КОНЦЕВОЙ ПАНЕЛИ (БНО.- ПРИМЕНЯТЬ 11900441 20 66 249 ) |
|
4 |
20 66 910 |
-ГАЙКА,ШЕСТИГР.,M10 X 1.5,НАРУЖНАЯ ЧАСТЬ ТРЕЙЛЕРНОЙ СЦЕПКИ К ЗАДНЕЙ КОНЦЕВОЙ ПАНЕЛИ (БНО.- ПРИМЕНЯТЬ 11900441 20 66 249 ) |
|
5 |
67 36 066 |
-РАСПОРКА,НАРУЖНАЯ ДЕТАЛЬ ТРЕЙЛЕРНОЙ СЦЕПКИ К ЗАДНЕЙ КОНЦЕВОЙ ПАНЕЛИ |
|
5 |
67 36 066 |
-РАСПОРКА,НАРУЖНАЯ ДЕТАЛЬ ТРЕЙЛЕРНОЙ СЦЕПКИ К ЗАДНЕЙ КОНЦЕВОЙ ПАНЕЛИ |
|
6 |
17 36 915 |
-УПЛОТНЕНИЕ,КОЛЬЦЕВОЕ,ВЕРХНЯЯ ЧАСТЬ ТРЕЙЛЕРНОЙ СЦЕПКИ |
|
6 |
17 36 915 |
-УПЛОТНЕНИЕ,КОЛЬЦЕВОЕ,ВЕРХНЯЯ ЧАСТЬ ТРЕЙЛЕРНОЙ СЦЕПКИ |
|
7 |
67 36 091 |
СЦЕПКА,В СБОРЕ,ТРЕЙЛЕРНАЯ,СЪЕМНАЯ (ORIS) (ТРЕЙЛЕРНАЯ НАГРУЗКА 1500 КГ,ПОДДЕРЖИВАЮЩАЯ НАГРУЗКА 75 КГ) |
|
7 |
67 36 048 |
СЦЕПКА,В СБОРЕ,ТРЕЙЛЕРНАЯ,СЪЕМНАЯ (PEKA) (ТРЕЙЛЕРНАЯ НАГРУЗКА 1500 КГ,ПОДДЕРЖИВАЮЩАЯ НАГРУЗКА 75 КГ) (БНО.- ПРИМЕНЯТЬ 9162897 67 36 091) |
|
8 |
67 36 263 |
-ПРИЦЕПНАЯ ТЯГА,СЪЕМНАЯ,ТРЕЙЛЕРНАЯ СЦЕПКА (PEKA) (БНО.- ПРИМЕНЯТЬ 93160498 67 36 288 ) |
|
8 |
67 36 273 |
-ПРИЦЕПНАЯ ТЯГА,СЪЕМНАЯ,ТРЕЙЛЕРНАЯ СЦЕПКА (ORIS) |
|
9 |
67 36 264 |
--СУМКА,СНИМАЕМАЯ БУКСИРНАЯ СЦЕПКА,ТРЕЙЛЕРНАЯ СЦЕПКА (PEKA) |
|
9 |
67 36 274 |
-СУМКА,СНИМАЕМАЯ БУКСИРНАЯ СЦЕПКА,ТРЕЙЛЕРНАЯ СЦЕПКА (ORIS) |
|
→ BBCode изображения узла для вставки в блог или на форум (спойлер)
→ BBCode ссылки на данную страницу для вставки в блог или на форум
→ HTML код ссылки на данную страницу для установки на сайт
→ Простая ссылка на данную страницу
→ Для добавления в социальные закладки, используйте иконки ниже
|