запчасти для, поиск по VIN, подбор колес, узнать размерность колес, заказать запчасти, продажа запчастей, цены на автозапчасти для иномарок, продажа с доставкой в регионы, адреса фирм-поставщиков, авто дилеры, автосервисы, обслуживание авто
Логин Пароль


ГлавнаяКаталог OpelASTRA-G + ZAFIRA-AЭлектрикаДвигатель и охлаждение (Электрика)


Двигатель и охлаждение (Электрика)

# Оригинальный
номер
Название Заказ
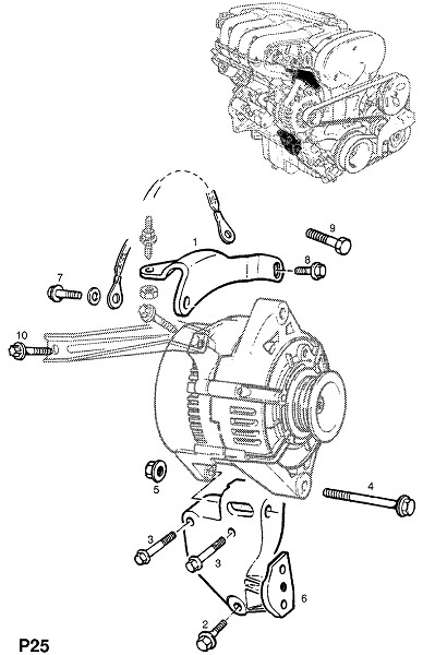
1 12 04 719 ОПОРА,ГЕНЕРАТОР Заказать деталь

Искать в online прайсе
1 12 04 723 ОПОРА,ГЕНЕРАТОР Заказать деталь

Искать в online прайсе
10 20 48 988 ВИНТ,TORX,M8 X 20,СКОБА ГЕНЕРАТОРА К КОРПУСУ БАЙПАСА Заказать деталь

Искать в online прайсе
2 20 05 999 ВИНТ,TORX,M10 X 35,КРОНШТЕЙН ГЕНЕРАТОРА К БЛОКУ ЦИЛИНДРОВ Заказать деталь

Искать в online прайсе
3 20 05 997 ВИНТ,TORX,M10 X 55,КРОНШТЕЙН ГЕНЕРАТОРА К БЛОКУ ЦИЛИНДРОВ Заказать деталь

Искать в online прайсе
4 12 04 841 ВИНТ,TORX,M10 X 125,ГЕНЕРАТОР К КРОНШТЕЙНУ Заказать деталь

Искать в online прайсе
5 20 66 910 ГАЙКА,ШЕСТИГР.,M10,ГЕНЕРАТОР К МОНТАЖНОМУ КРОНШТЕЙНУ ГЕНЕРАТОРА (БНО.- ПРИМЕНЯТЬ 11900441 20 66 249 ) Заказать деталь

Искать в online прайсе
6 62 04 640 КРОНШТЕЙН,ПОДВЕСКА ГЕНЕРАТОРА Заказать деталь

Искать в online прайсе
7 20 48 988 ВИНТ,TORX,M8 X 20,ГЕНЕРАТОР К СКОБЕ Заказать деталь

Искать в online прайсе
8 20 05 981 ВИНТ,TORX,M8 X 16,СКОБА ГЕНЕРАТОРА К ВПУСКНОМУ ПАТРУБКУ^C16SEL,X16XEL,Z16XE,Z16YNG Заказать деталь

Искать в online прайсе
8 20 48 988 ВИНТ,TORX,M8 X 20,СКОБА ГЕНЕРАТОРА К ВПУСКНОМУ ПАТРУБКУ^C16SEL,X16XEL,Z16XE,Z16YNG Заказать деталь

Искать в online прайсе
8 20 48 905 ВИНТ,С ФАЛЬЦ.ГОЛ.,M8 X 16,СКОБА ГЕНЕРАТОРА К ВПУСКНОМУ ПАТРУБКУ^C16SEL,X16XEL,Z16XE Заказать деталь

Искать в online прайсе

BBCode изображения узла для вставки в блог или на форум (спойлер)

BBCode ссылки на данную страницу для вставки в блог или на форум

HTML код ссылки на данную страницу для установки на сайт

Простая ссылка на данную страницу

Для добавления в социальные закладки, используйте иконки ниже

О проекте | Размещение рекламы | Партнеры | Статьи | Контакты | Добавить сайт в избранное
      По вопросам размещения рекламы на сайте
обращайтесь по телефону
8 (831) 413-63-27
©2009-2014 allspare.ru
Все права защищены