   


# |
Оригинальный номер |
Название |
Заказ |
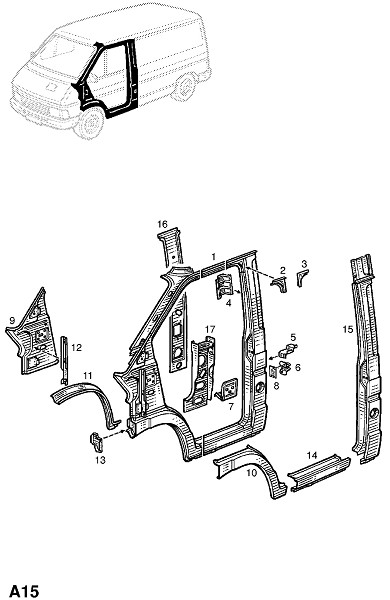
1 |
44 05 681 |
РАМА,ПРОЕМ ДВЕРИ,П/С (ИСКЛ.ФУРГОН С ВЫСОКОЙ КРЫШЕЙ) |
|
1 |
44 05 680 |
РАМА,ПРОЕМ ДВЕРИ,П/С (ДЛЯ АВТОФУРГОНА С ВЫСОКОЙ КРЫШЕЙ) |
|
1 |
44 05 684 |
РАМА,ПРОЕМ ДВЕРИ,Л/С (ИСКЛ.ФУРГОН С ВЫСОКОЙ КРЫШЕЙ) |
|
1 |
44 05 683 |
РАМА,ПРОЕМ ДВЕРИ,Л/С (ДЛЯ АВТОФУРГОНА С ВЫСОКОЙ КРЫШЕЙ) |
|
10 |
44 05 360 |
-ПАНЕЛЬ,ПЕРЕДНЯЯ СТОЙКА,НАРУЖНАЯ,НИЖНИЙ,Л/С |
|
10 |
44 05 361 |
-ПАНЕЛЬ,ПЕРЕДНЯЯ СТОЙКА,НАРУЖНАЯ,НИЖНИЙ,П/С |
|
11 |
44 05 372 |
-ПАНЕЛЬ,ПЕРЕДНЯЯ СТОЙКА,ВНУТРЕННЯЯ,Л/С |
|
11 |
44 05 373 |
-ПАНЕЛЬ,ПЕРЕДНЯЯ СТОЙКА,ВНУТРЕННЯЯ,П/С |
|
12 |
44 03 772 |
-РЕЙКА,ФИКСИРУЮЩАЯ,НАРУЖНАЯ ПАНЕЛЬ ПЕРЕДНЕЙ СТОЙКИ,ВЕРХНИЙ,П/С |
|
12 |
44 03 773 |
-РЕЙКА,ФИКСИРУЮЩАЯ,НАРУЖНАЯ ПАНЕЛЬ ПЕРЕДНЕЙ СТОЙКИ,ВЕРХНИЙ,Л/С |
|
13 |
44 05 375 |
-РЕЙКА,ФИКСИРУЮЩАЯ,НАРУЖНАЯ ПАНЕЛЬ ПЕРЕДНЕЙ СТОЙКИ,НИЖНИЙ,П/С |
|
13 |
44 05 374 |
-РЕЙКА,ФИКСИРУЮЩАЯ,НАРУЖНАЯ ПАНЕЛЬ ПЕРЕДНЕЙ СТОЙКИ,НИЖНИЙ,Л/С |
|
14 |
44 05 330 |
-ПАНЕЛЬ,НИЖНЯЯ ОБВЯЗКА,ВНУТРЕННИЙ,ПЕРЕДНЯЯ ЧАСТЬ,П/С |
|
14 |
44 05 329 |
-ПАНЕЛЬ,НИЖНЯЯ ОБВЯЗКА,ВНУТРЕННИЙ,ПЕРЕДНЯЯ ЧАСТЬ,Л/С |
|
15 |
44 03 649 |
-ПАНЕЛЬ,ЦЕНТРАЛЬНАЯ СТОЙКА,НАРУЖНАЯ,П/С |
|
15 |
44 03 648 |
-ПАНЕЛЬ,ЦЕНТРАЛЬНАЯ СТОЙКА,НАРУЖНАЯ,Л/С |
|
16 |
44 04 135 |
-ПАНЕЛЬ,ЦЕНТРАЛЬНАЯ СТОЙКА,ВНУТРЕННЯЯ,Л/С (ИСКЛ.ФУРГОН С ВЫСОКОЙ КРЫШЕЙ) |
|
16 |
44 04 137 |
-ПАНЕЛЬ,ЦЕНТРАЛЬНАЯ СТОЙКА,ВНУТРЕННЯЯ,П/С (ИСКЛ.ФУРГОН С ВЫСОКОЙ КРЫШЕЙ) |
|
16 |
44 04 136 |
-ПАНЕЛЬ,ЦЕНТРАЛЬНАЯ СТОЙКА,ВНУТРЕННЯЯ,Л/С (ДЛЯ АВТОФУРГОНА С ВЫСОКОЙ КРЫШЕЙ) |
|
16 |
44 04 138 |
-ПАНЕЛЬ,ЦЕНТРАЛЬНАЯ СТОЙКА,ВНУТРЕННЯЯ,П/С (ДЛЯ АВТОФУРГОНА С ВЫСОКОЙ КРЫШЕЙ) |
|
17 |
44 03 653 |
-ПАНЕЛЬ,ЦЕНТРАЛЬНАЯ СТОЙКА,ВНУТРЕННЯЯ,НИЖНИЙ,П/С |
|
17 |
44 03 652 |
-ПАНЕЛЬ,ЦЕНТРАЛЬНАЯ СТОЙКА,ВНУТРЕННЯЯ,НИЖНИЙ,Л/С |
|
2 |
44 05 339 |
-КОСЫНКА,РАМА ДВЕРНОГО ПРОЕМА,ПЕРЕДНЯЯ ЧАСТЬ,Л/С |
|
2 |
44 05 340 |
-КОСЫНКА,РАМА ДВЕРНОГО ПРОЕМА,ПЕРЕДНЯЯ ЧАСТЬ,П/С |
|
3 |
44 05 318 |
-КОСЫНКА,РАМА ДВЕРНОГО ПРОЕМА,ЗАДНИЙ,П/С |
|
3 |
44 05 317 |
-КОСЫНКА,РАМА ДВЕРНОГО ПРОЕМА,ЗАДНИЙ,Л/С |
|
4 |
44 05 285 |
-ФИКСАТОР,РАМА ПРОЕМА ДВЕРИ,ВЕРХНИЙ |
|
5 |
44 05 323 |
-ФИКСАТОР,РАМА ПРОЕМА ДВЕРИ,ЦЕНТРАЛЬНЫЙ,ВЕРХНИЙ,П/С |
|
5 |
44 05 322 |
-ФИКСАТОР,РАМА ПРОЕМА ДВЕРИ,ЦЕНТРАЛЬНЫЙ,ВЕРХНИЙ,Л/С |
|
6 |
44 05 320 |
-ЗАЖИМ,ФИКСИРУЮЩИЙ,РАМА ДВЕРНОГО ПРОЕМА,ЦЕНТРАЛЬНЫЙ,НИЖНИЙ |
|
7 |
44 05 417 |
-ФИКСАТОР,РАМА ПРОЕМА ДВЕРИ,НИЖНИЙ |
|
8 |
44 05 398 |
-ПЛАСТИНА,ПРИЖИМНАЯ,РАМА ДВЕРНОГО ПРОЕМА |
|
9 |
44 05 682 |
-ПАНЕЛЬ,ПЕРЕДНЯЯ СТОЙКА,ВНУТРЕННЯЯ,ВЕРХНИЙ,П/С |
|
9 |
44 05 685 |
-ПАНЕЛЬ,ПЕРЕДНЯЯ СТОЙКА,ВНУТРЕННЯЯ,ВЕРХНИЙ,Л/С |
|
→ BBCode изображения узла для вставки в блог или на форум (спойлер)
→ BBCode ссылки на данную страницу для вставки в блог или на форум
→ HTML код ссылки на данную страницу для установки на сайт
→ Простая ссылка на данную страницу
→ Для добавления в социальные закладки, используйте иконки ниже
|