   

# |
Оригинальный номер |
Название |
Заказ |
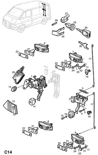
21 |
44 03 359 |
БОЕК,ЗАДНЯЯ ДВЕРЬ |
|
22 |
44 00 911 |
ПЛАСТИНА,РАЗДЕЛИТЕЛЬНАЯ,БОЕК ЗАДНЕЙ ДВЕРИ |
|
23 |
44 04 341 |
ВИНТ,БОЕК ЗАДНЕЙ ДВЕРИ К КУЗОВУ |
|
24 |
44 05 536 |
ШАЙБА,ЗУБЧАТАЯ,11.3 X 6,БОЕК ЗАДНЕЙ ДВЕРИ К КУЗОВУ |
|
→ BBCode изображения узла для вставки в блог или на форум (спойлер)
→ BBCode ссылки на данную страницу для вставки в блог или на форум
→ HTML код ссылки на данную страницу для установки на сайт
→ Простая ссылка на данную страницу
→ Для добавления в социальные закладки, используйте иконки ниже
|