   

# |
Оригинальный номер |
Название |
Заказ |
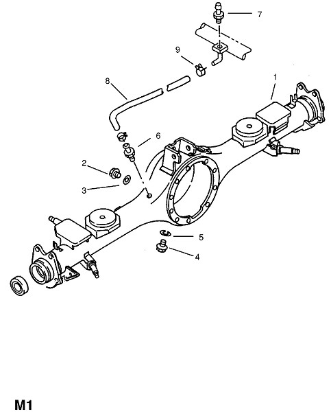
1 |
54 02 200 |
КОРПУС,В СБОРЕ,ОСЬ (ИСКЛЮЧАЯ АБС) |
|
1 |
04 02 224 |
КОРПУС,В СБОРЕ,ОСЬ (ДЛЯ АБС) (БНО.- ПРИМЕНЯТЬ 97116607 4 02 239 ) |
|
1 |
04 02 239 |
КОРПУС,В СБОРЕ,ОСЬ (ДЛЯ АБС) |
|
2 |
04 02 429 |
ПРОБКА,МАСЛОНАЛИВНАЯ ТРУБКА |
|
3 |
04 03 602 |
ПРОКЛАДКА,ПРОБКА |
|
4 |
04 02 681 |
ПРОБКА,КАНАЛ СЛИВА МАСЛА |
|
4 |
04 02 428 |
ПРОБКА,КАНАЛ СЛИВА МАСЛА (БНО.- ПРИМЕНЯТЬ 97109869 4 02 681 ) |
|
5 |
04 03 601 |
ПРОКЛАДКА,ПРОБКА |
|
6 |
04 02 627 |
ВЕНТИЛЯЦИОННЫЙ КЛАПАН,КОРПУС |
|
7 |
04 02 626 |
ВЕНТ.,В СБОРЕ,САПУН ОСИ |
|
8 |
04 02 604 |
ШЛАНГ,РЕЗИНОВЫЙ,САПУН (БНО.- ПРИМЕНЯТЬ 94000935 8 20 276 ) |
|
9 |
08 21 763 |
ЗАЖИМ,КРЕПЛЕНИЕ ШЛАНГА (БНО.- ПРИМЕНЯТЬ 94030488 7 53 700 ) |
|
→ BBCode изображения узла для вставки в блог или на форум (спойлер)
→ BBCode ссылки на данную страницу для вставки в блог или на форум
→ HTML код ссылки на данную страницу для установки на сайт
→ Простая ссылка на данную страницу
→ Для добавления в социальные закладки, используйте иконки ниже
|