   


# |
Оригинальный номер |
Название |
Заказ |
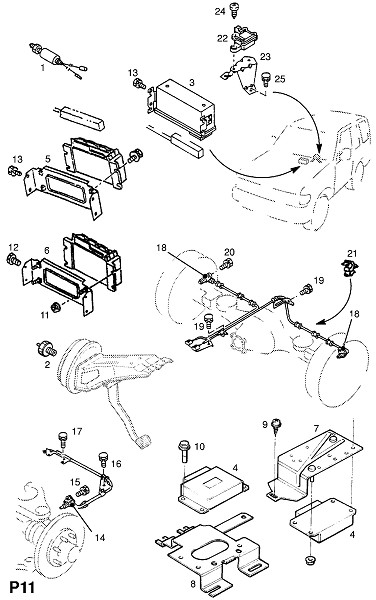
14 |
12 38 906 |
ДАТЧИК,В СБОРЕ,ОБОРОТОВ,ПЕРЕДНЕЕ КОЛЕСО,П/С |
|
14 |
05 30 446 |
ДАТЧИК,В СБОРЕ,ОБОРОТОВ,ПЕРЕДНЕЕ КОЛЕСО,Л/С-ПСП (ИСКЛЮЧАЯ ПОДВЕСКУ ДЛЯ ШИРОКИХ ШИН) |
|
14 |
05 30 446 |
ДАТЧИК,В СБОРЕ,ОБОРОТОВ,ПЕРЕДНЕЕ КОЛЕСО,Л/С-ЛСП |
|
14 |
12 38 907 |
ДАТЧИК,В СБОРЕ,ОБОРОТОВ,ПЕРЕДНЕЕ КОЛЕСО,Л/С |
|
14 |
62 38 438 |
ДАТЧИК,В СБОРЕ,ОБОРОТОВ,ПЕРЕДНЕЕ КОЛЕСО,П/С-ПСП (ИСКЛЮЧАЯ ПОДВЕСКУ ДЛЯ ШИРОКИХ ШИН) |
|
14 |
62 38 438 |
ДАТЧИК,В СБОРЕ,ОБОРОТОВ,ПЕРЕДНЕЕ КОЛЕСО,П/С-ЛСП |
|
15 |
06 50 578 |
БОЛТ,КРЕПЛЕНИЕ ДАТЧИКА |
|
16 |
05 64 887 |
БОЛТ,КРЕПЛЕНИЕ КРОНШТЕЙНА (БНО.- ПРИМЕНЯТЬ 94003992 7 59 949 ) |
|
17 |
20 01 011 |
БОЛТ,КРЕПЛЕНИЕ ДАТЧИКА (БНО.- ПРИМЕНЯТЬ 94009488 20 01 555 ) |
|
18 |
12 38 908 |
ДАТЧИК,В СБОРЕ,ОБОРОТОВ,ЗАДНЕЕ КОЛЕСО (БНО.- ПРИМЕНЯТЬ 97110577 62 38 378 ) |
|
18 |
62 38 378 |
ДАТЧИК,В СБОРЕ,ОБОРОТОВ,ЗАДНЕЕ КОЛЕСО (БНО.- ПРИМЕНЯТЬ 97110076 62 38 127 ) |
|
19 |
05 64 887 |
БОЛТ,КРЕПЛЕНИЕ КРОНШТЕЙНА (БНО.- ПРИМЕНЯТЬ 94003992 7 59 949 ) |
|
20 |
06 14 943 |
БОЛТ,КРЕПЛЕНИЕ ДАТЧИКА |
|
21 |
62 38 482 |
ЗАЖИМ,ДАТЧИК СКОРОСТИ |
|
22 |
12 38 909 |
ДАТЧИК,В СБОРЕ,ЗАМЕДЛЕНИЕ |
|
22 |
62 38 440 |
ДАТЧИК,В СБОРЕ,ЗАМЕДЛЕНИЕ |
|
23 |
55 30 491 |
КРОНШТЕЙН,ДАТЧИК СКОРОСТИ (БНО.) |
|
23 |
55 30 480 |
КРОНШТЕЙН,ДАТЧИК СКОРОСТИ (БНО.- ПРИМЕНЯТЬ 97212930 55 30 522 ) |
|
23 |
12 37 986 |
КРОНШТЕЙН,ДАТЧИК СКОРОСТИ (БНО.- ПРИМЕНЯТЬ 97087094 55 30 480 ) |
|
23 |
12 37 986 |
КРОНШТЕЙН,ДАТЧИК СКОРОСТИ (БНО.- ПРИМЕНЯТЬ 97087094 55 30 480) |
|
24 |
12 38 958 |
БОЛТ,КРЕПЛЕНИЕ ДАТЧИКА |
|
25 |
08 48 926 |
БОЛТ,КРЕПЛЕНИЕ КРОНШТЕЙНА (БНО.) |
|
→ BBCode изображения узла для вставки в блог или на форум (спойлер)
→ BBCode ссылки на данную страницу для вставки в блог или на форум
→ HTML код ссылки на данную страницу для установки на сайт
→ Простая ссылка на данную страницу
→ Для добавления в социальные закладки, используйте иконки ниже
|