   

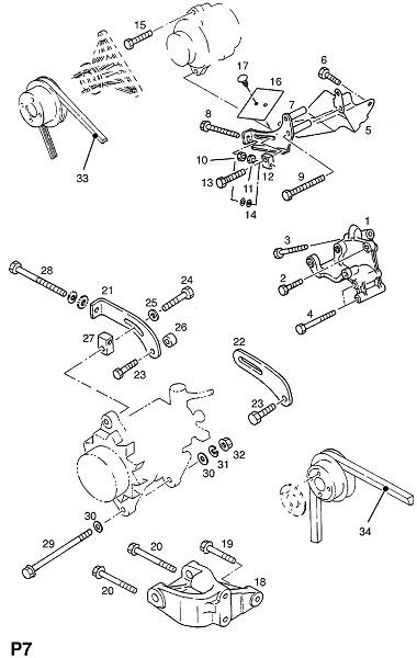
# |
Оригинальный номер |
Название |
Заказ |
1 |
12 04 631 |
КРОНШТЕЙН,В СБОРЕ,ФИТИНГ ГЕНЕРАТОРА |
|
10 |
05 64 974 |
ГАЙКА,НАКЛАДКА (БНО.- ПРИМЕНЯТЬ 91120650 13 40 820 ) |
|
11 |
12 04 781 |
ГАЙКА,НАКЛАДКА |
|
12 |
12 04 767 |
ДЕТАЛЬ,НАТЯЖЕНИЯ |
|
13 |
12 04 827 |
БОЛТ (БНО.- ПРИМЕНЯТЬ 94005061 6 48 935 ) |
|
14 |
12 06 992 |
ФИКСАТОР (БНО.) |
|
15 |
12 04 828 |
БОЛТ (БНО.) |
|
16 |
12 05 812 |
КОЖУХ,ГРЯЗЕЗАЩИТНЫЙ (БНО.) |
|
17 |
01 88 874 |
ЗАКЛЕПКА (БНО.- ПРИМЕНЯТЬ 97817193 1 88 878 ) |
|
17 |
01 88 874 |
ЗАКЛЕПКА (БНО.- ПРИМЕНЯТЬ 97817193 1 88 878 ) |
|
2 |
13 38 949 |
БОЛТ,КРЕПЛЕНИЕ КРОНШТЕЙНА |
|
3 |
62 04 833 |
БОЛТ,КРЕПЛЕНИЕ КРОНШТЕЙНА |
|
4 |
06 36 961 |
БОЛТ,КРЕПЛЕНИЕ КРОНШТЕЙНА |
|
5 |
12 04 630 |
КРОНШТЕЙН,В СБОРЕ,ФИТИНГ ГЕНЕРАТОРА |
|
6 |
62 04 832 |
БОЛТ,КРЕПЛЕНИЕ КРОНШТЕЙНА (БНО.- ПРИМЕНЯТЬ 94001690 8 54 988 ) |
|
7 |
62 04 705 |
ПЛАСТИНА,РЕГУЛИРОВОЧНАЯ,ПСП |
|
7 |
12 04 540 |
ПЛАСТИНА,РЕГУЛИРОВОЧНАЯ (БНО.) |
|
7 |
12 04 768 |
ПЛАСТИНА,РЕГУЛИРОВОЧНАЯ,ЛСП |
|
7 |
12 04 768 |
ПЛАСТИНА,РЕГУЛИРОВОЧНАЯ,ПСП |
|
8 |
12 04 829 |
БОЛТ,ПЛИТА РЕГУЛЯТОРА |
|
9 |
06 50 584 |
БОЛТ,ПЛИТА РЕГУЛЯТОРА |
|
→ BBCode изображения узла для вставки в блог или на форум (спойлер)
→ BBCode ссылки на данную страницу для вставки в блог или на форум
→ HTML код ссылки на данную страницу для установки на сайт
→ Простая ссылка на данную страницу
→ Для добавления в социальные закладки, используйте иконки ниже
|