   

# |
Оригинальный номер |
Название |
Заказ |
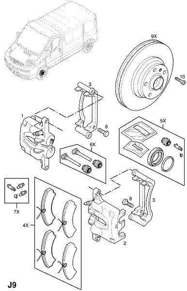
1 |
44 14 022 |
СУППОРТ,В СБОРЕ,ПЕРЕДНИЙ ДИСК,П/С |
|
2 |
44 14 023 |
СУППОРТ,В СБОРЕ,ПЕРЕДНИЙ ДИСК,Л/С |
|
3 |
44 14 024 |
КРОНШТЕЙН,КРЕПЛЕНИЕ ТОРМОЗНОГО СУППОРТА,ПЕРЕДНЯЯ ЧАСТЬ |
|
4X |
44 14 021 |
КОМПЛЕКТ,ФРИКЦИОННЫЕ НАКЛАДКИ,ТОРМОЗНЫЕ,ОСЕВОЙ КОМПЛЕКТ,ПЕРЕДНЯЯ ЧАСТЬ (БНО.- ПРИМЕНЯТЬ 93173641 44 14 519 ) |
|
5X |
44 14 177 |
КОМПЛЕКТ,РЕМОНТНЫЙ,СУППОРТ ПЕРЕДНЕГО ТОРМОЗА |
|
6X |
44 14 178 |
ШТИФТ,НАПРАВЛЯЮЩИЙ,ПЕРЕДНИЙ ТОРМОЗ (КОМПЛЕКТ) |
|
7X |
44 14 179 |
КЛАПАН,ВЫПУСКНОЙ,СУППОРТ (КОМПЛЕКТ) |
|
8 |
44 14 382 |
БОЛТ,M12,ТОРМОЗНОЙ СУППОРТ К ОСИ,ПЕРЕДНЯЯ ЧАСТЬ (БНО.- ПРИМЕНЯТЬ 9120861 44 05 028 ) |
|
→ BBCode изображения узла для вставки в блог или на форум (спойлер)
→ BBCode ссылки на данную страницу для вставки в блог или на форум
→ HTML код ссылки на данную страницу для установки на сайт
→ Простая ссылка на данную страницу
→ Для добавления в социальные закладки, используйте иконки ниже
|