   

# |
Оригинальный номер |
Название |
Заказ |
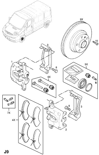
10 |
45 01 421 |
ВИНТ,С ПОТАЙНОЙ ГОЛ.,M8,ДИСК К СТУПИЦЕ,ПЕРЕДНЯЯ ЧАСТЬ |
|
9X |
44 08 275 |
КОМПЛЕКТ,ДИСКОВ,ПЕРЕДНИЙ ТОРМОЗ,(БНО.- ПРИМЕНЯТЬ 91165426 44 14 632 ) |
|
9X |
44 14 632 |
ДИСК,В СБОРЕ,ПЕРЕДНИЙ ТОРМОЗ |
|
→ BBCode изображения узла для вставки в блог или на форум (спойлер)
→ BBCode ссылки на данную страницу для вставки в блог или на форум
→ HTML код ссылки на данную страницу для установки на сайт
→ Простая ссылка на данную страницу
→ Для добавления в социальные закладки, используйте иконки ниже
|