   

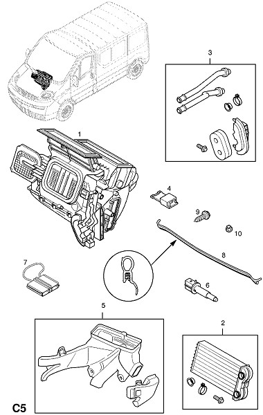
# |
Оригинальный номер |
Название |
Заказ |
10 |
44 14 362 |
ГАЙКА,НАКЛАДКА,БЛОК ОБОГРЕВАТЕЛЯ |
|
2 |
44 09 453 |
РАДИАТОР,СЕРДЕЧНИК,ОБОГРЕВАТЕЛЬ |
|
3 |
44 09 454 |
ТРУБКА,ОБОГРЕВАТЕЛЬ,ТОК ПОДАЧИ И ВОЗВРАТА |
|
4 |
44 08 658 |
ТЕРМОСТАТ,КОНДИЦИОНЕР ВОЗДУХА (БНО.- ПРИМЕНЯТЬ 93161015 44 12 353 ) |
|
5 |
44 09 988 |
КАНАЛ,ВЫХОД ВОЗДУХА |
|
6 |
44 09 450 |
ДАТЧИК,ТЕМПЕРАТУРЫ ВОЗДУХА,ИСПАРИТЕЛЬ (БНО.- ПРИМЕНЯТЬ 93161015 44 12 353 ) |
|
7 |
44 12 353 |
ПРОБКА,ЗАЩИТА КОНТАКТА ЖГУТА ПРОВОДОВ КУЗОВА |
|
8 |
44 00 614 |
УПЛОТНЕНИЕ,ОБОГРЕВАТЕЛЬ,ПЕРЕДНЯЯ ПАНЕЛЬ |
|
9 |
44 14 364 |
ВИНТ,ПЛАСТИНА,БЛОК ОБОГРЕВАТЕЛЯ |
|
→ BBCode изображения узла для вставки в блог или на форум (спойлер)
→ BBCode ссылки на данную страницу для вставки в блог или на форум
→ HTML код ссылки на данную страницу для установки на сайт
→ Простая ссылка на данную страницу
→ Для добавления в социальные закладки, используйте иконки ниже
|