   


# |
Оригинальный номер |
Название |
Заказ |
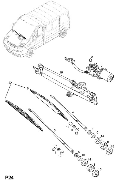
1 |
44 08 625 |
ЭЛЕКТРОДВИГАТЕЛЬ,В СБОРЕ,СТЕКЛООЧИСТИТЕЛЬ ВЕТРОВОГО СТЕКЛА,ЛСП |
|
1 |
44 14 681 |
ЭЛЕКТРОДВИГАТЕЛЬ,В СБОРЕ,СТЕКЛООЧИСТИТЕЛЬ ВЕТРОВОГО СТЕКЛА,ЛСП |
|
1 |
44 08 626 |
ЭЛЕКТРОДВИГАТЕЛЬ,В СБОРЕ,СТЕКЛООЧИСТИТЕЛЬ ВЕТРОВОГО СТЕКЛА,ПСП (БНО.- ПРИМЕНЯТЬ 93160794 44 11 919 ) |
|
1 |
44 11 919 |
ЭЛЕКТРОДВИГАТЕЛЬ,В СБОРЕ,СТЕКЛООЧИСТИТЕЛЬ ВЕТРОВОГО СТЕКЛА,ПСП |
|
10 |
44 14 370 |
ШАЙБА,НАТЯЖЕНИЯ,РЫЧАГ СТЕКЛООЧИСТИТЕЛЯ ВЕТРОВОГО СТЕКЛА К ШКВОРНЮ,НИЖНИЙ |
|
11 |
45 01 661 |
ГАЙКА,С БУРТИКОМ,РЫЧАГ СТЕКЛООЧИСТИТЕЛЯ ВЕТРОВОГО СТЕКЛА К ОСИ,ВЕРХНИЙ |
|
12 |
44 14 363 |
ШАЙБА,НАТЯЖЕНИЯ,РЫЧАГ СТЕКЛООЧИСТИТЕЛЯ ВЕТРОВОГО СТЕКЛА К ШКВОРНЮ,ВЕРХНИЙ |
|
13 |
44 11 674 |
КОЛПАЧОК,РЫЧАГ СТЕКЛООЧИСТИТЕЛЯ ВЕТРОВОГО СТЕКЛА |
|
14 |
44 16 048 |
УПЛОТНЕНИЕ,РЫЧАГ СТЕКЛООЧИСТИТЕЛЯ ВЕТРОВОГО СТЕКЛА,ВЕРХНИЙ |
|
15 |
44 16 049 |
УПЛОТНЕНИЕ,РЫЧАГ СТЕКЛООЧИСТИТЕЛЯ ВЕТРОВОГО СТЕКЛА,НИЖНИЙ |
|
16 |
44 12 289 |
РЫЧАЖНЫЙ МЕХАНИЗМ,В СБОРЕ,СТЕКЛООЧИСТИТЕЛЬ ВЕТРОВОГО СТЕКЛА,ЛСП |
|
16 |
44 09 831 |
РЫЧАЖНЫЙ МЕХАНИЗМ,В СБОРЕ,СТЕКЛООЧИСТИТЕЛЬ ВЕТРОВОГО СТЕКЛА,ПСП (БНО.- ПРИМЕНЯТЬ 93160898 44 12 284 ) |
|
16 |
44 09 830 |
РЫЧАЖНЫЙ МЕХАНИЗМ,В СБОРЕ,СТЕКЛООЧИСТИТЕЛЬ ВЕТРОВОГО СТЕКЛА,ЛСП (БНО.- ПРИМЕНЯТЬ 93160900 44 12 289 ) |
|
16 |
44 12 284 |
РЫЧАЖНЫЙ МЕХАНИЗМ,В СБОРЕ,СТЕКЛООЧИСТИТЕЛЬ ВЕТРОВОГО СТЕКЛА,ПСП |
|
2 |
44 14 362 |
ГАЙКА,КРЕПЛЕНИЕ ЭЛЕКТРОДВИГАТЕЛЯ СТЕКЛООЧИСТИТЕЛЯ ВЕТРОВОГО СТЕКЛА |
|
3 |
44 08 570 |
РЫЧАГ,СТЕКЛООЧИСТИТЕЛЬ ВЕТРОВОГО СТЕКЛА,П/С-ЛСП |
|
3 |
44 08 548 |
РЫЧАГ,СТЕКЛООЧИСТИТЕЛЬ ВЕТРОВОГО СТЕКЛА,П/С-ПСП |
|
4 |
44 10 116 |
РЫЧАГ,СТЕКЛООЧИСТИТЕЛЬ ВЕТРОВОГО СТЕКЛА,Л/С-ПСП (БНО.- ПРИМЕНЯТЬ 91160061 44 08 570 ) |
|
4 |
44 08 566 |
РЫЧАГ,СТЕКЛООЧИСТИТЕЛЬ ВЕТРОВОГО СТЕКЛА,Л/С-ЛСП |
|
5 |
62 72 196 |
ЩЕТКА,СТЕКЛООЧИСТИТЕЛЬ ВЕТРОВОГО СТЕКЛА,600ММ ДЛИН.,СТОРОНА ВОДИТЕЛЯ (С АЭРОДИНАМИЧЕСКИМ ПРОФИЛЕМ) (ДЛЯ VAUXHALL) (КОМПЛЕКТ МЕХАНИЧЕСКОЙ ОБРАБОТКИ) (ЗАКАЗЫВАЕТСЯ ПАРТИЯМИ ПО 50) (БНО.- ПРИМЕ... |
|
5 |
44 10 117 |
ЩЕТКА И ДЕРЖАТЕЛЬ,В СБОРЕ,СТЕКЛООЧИСТИТЕЛЬ ВЕТРОВОГО СТЕКЛА,Л/С-ЛСП (БНО.- ПРИМЕНЯТЬ 93160465 62 72 258 ) |
|
5 |
44 10 118 |
ЩЕТКА И ДЕРЖАТЕЛЬ,В СБОРЕ,СТЕКЛООЧИСТИТЕЛЬ ВЕТРОВОГО СТЕКЛА (С АЭРОДИНАМИЧЕСКИМ ПРОФИЛЕМ),П/С-ПСП (БНО.- ПРИМЕНЯТЬ 91155579) |
|
6 |
44 08 558 |
ЩЕТКА И ДЕРЖАТЕЛЬ,В СБОРЕ,СТЕКЛООЧИСТИТЕЛЬ ВЕТРОВОГО СТЕКЛА,525 ММ ДЛИН.,П/С-ЛСП (БНО.- ПРИМЕНЯТЬ 93160465 62 72 258 ) |
|
7X |
62 72 258 |
ЩЕТКА И ДЕРЖАТЕЛЬ,В СБОРЕ,СТЕКЛООЧИСТИТЕЛЬ ВЕТРОВОГО СТЕКЛА (КОМПЛЕКТ) (С АЭРОДИНАМИЧЕСКИМ ПРОФИЛЕМ) (ИСКЛЮЧАЯ VAUXHALL) |
|
8 |
45 00 753 |
ВТУЛКА,25MM,РЫЧАГ СТЕКЛООЧИСТИТЕЛЯ ВЕТРОВОГО СТЕКЛА К СОЕДИНИТЕЛЬНОМУ ЗВЕНУ |
|
9 |
44 14 146 |
ГАЙКА,РЫЧАГ СТЕКЛООЧИСТИТЕЛЯ ВЕТРОВОГО СТЕКЛА,НИЖНИЙ |
|
→ BBCode изображения узла для вставки в блог или на форум (спойлер)
→ BBCode ссылки на данную страницу для вставки в блог или на форум
→ HTML код ссылки на данную страницу для установки на сайт
→ Простая ссылка на данную страницу
→ Для добавления в социальные закладки, используйте иконки ниже
|