запчасти для, поиск по VIN, подбор колес, узнать размерность колес, заказать запчасти, продажа запчастей, цены на автозапчасти для иномарок, продажа с доставкой в регионы, адреса фирм-поставщиков, авто дилеры, автосервисы, обслуживание авто
Логин Пароль


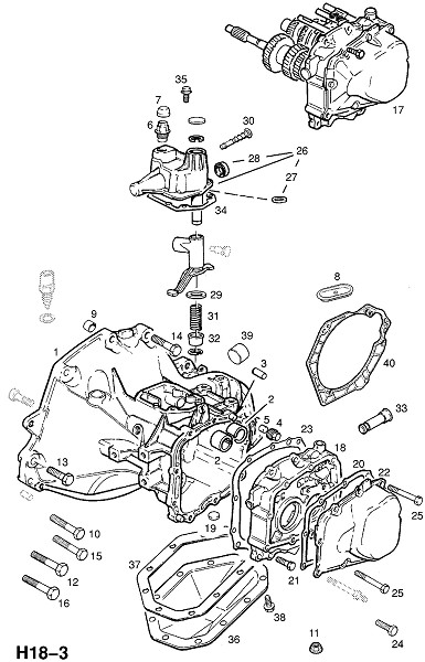
ГлавнаяКаталог OpelCORSA-CТрансмиссияТрансмиссия f17 easytronic (Трансмиссия)


Трансмиссия f17 easytronic (Трансмиссия)

# Оригинальный
номер
Название Заказ
1 07 02 072 КАРТЕР,В СБОРЕ,ТРАНСМИССИЯ Заказать деталь

Искать в online прайсе
10 20 00 944 ВИНТ,С ШЕСТИГР.ГОЛ.,M12 X 45,ТРАНСМИССИЯ К БЛОКУ ЦИЛИНДРОВ Заказать деталь

Искать в online прайсе
10 20 00 944 ВИНТ,С ШЕСТИГР.ГОЛ.,M12 X 45,ТРАНСМИССИЯ К БЛОКУ ЦИЛИНДРОВ Заказать деталь

Искать в online прайсе
13 20 00 943 ВИНТ,С ШЕСТИГР.ГОЛ.,M12 X 38,ТРАНСМИССИЯ К БЛОКУ ЦИЛИНДРОВ Заказать деталь

Искать в online прайсе
14 20 00 944 ВИНТ,С ШЕСТИГР.ГОЛ.,M12 X 45,ТРАНСМИССИЯ К БЛОКУ ЦИЛИНДРОВ Заказать деталь

Искать в online прайсе
15 20 05 213 ВИНТ,С ШЕСТИГР.ГОЛ.,M12 X 90,ТРАНСМИССИЯ К БЛОКУ ЦИЛИНДРОВ Заказать деталь

Искать в online прайсе
16 20 00 946 ВИНТ,С ШЕСТИГР.ГОЛ.,M12 X 65,ТРАНСМИССИЯ К БЛОКУ ЦИЛИНДРОВ Заказать деталь

Искать в online прайсе
17 57 06 466 ПЛАСТИНА,КОНЦЕВАЯ ЧАСТЬ ТРАНСМИССИИ,3.55 ОТНОШЕНИЕ Заказать деталь

Искать в online прайсе
18 07 06 551 КАРТЕР,РАСШИРИТЕЛЬ,ОПОРНАЯ ПЛИТА Заказать деталь

Искать в online прайсе
19 07 06 620 МАГНИТ,УДЛИНИТЕЛЬ КАРТЕРА Заказать деталь

Искать в online прайсе
2 07 02 531 -ВТУЛКА,14 X 16 X 8,КАРТЕР ТРАНСМИССИИ Заказать деталь

Искать в online прайсе
20 07 06 564 ПРОКЛАДКА,КАРТЕР ТРАНСМИССИИ К УДЛИНИТЕЛЮ КАРТЕРА Заказать деталь

Искать в online прайсе
21 20 00 940 ВИНТ,С ШЕСТИГР.ГОЛ.,M8 X 28,УДЛИНИТЕЛЬ К КАРТЕРУ ТРАНСМИССИИ Заказать деталь

Искать в online прайсе
22 07 06 770 КРЫШКА,КОРПУС РАСШИРЕНИЯ Заказать деталь

Искать в online прайсе
23 07 55 166 ПРОКЛАДКА,КРЫШКА К УДЛИНИТЕЛЮ КАРТЕРА Заказать деталь

Искать в online прайсе
24 20 00 907 ВИНТ,С ШЕСТИГР.ГОЛ.,M7 X 15,КРЫШКА К УДЛИНИТЕЛЮ КАРТЕРА Заказать деталь

Искать в online прайсе
25 20 05 034 ВИНТ,С ШЕСТИГР.ГОЛ.,M8 X 60,УДЛИНИТЕЛЬ И КРЫШКА К КАРТЕРУ ТРАНСМИССИИ^КОМБИ,ФУРГОН,COMBO F06,F08,F25,F68 Заказать деталь

Искать в online прайсе
26 07 55 082 КРЫШКА,С РЫЧАГОМ СЕЛЕКТОРА ПЕРЕДАЧ Заказать деталь

Искать в online прайсе
27 07 55 923 -ШАЙБА,24 ММ Н.Д.,ЧЕХОЛ РЫЧАГА ИЗБИРАТЕЛЯ Заказать деталь

Искать в online прайсе
28 07 32 235 -УПЛОТНЕНИЕ,ЧЕХОЛ,РЫЧАГ ИЗБИРАТЕЛЯ Заказать деталь

Искать в online прайсе
29 07 55 520 ПЛАСТИНА,КОМПЕНСАЦИИ ИЗНОСА,КРЫШКА ИЗБИРАТЕЛЯ ПЕРЕДАЧ Заказать деталь

Искать в online прайсе
3 07 06 804 -ШТИФТ,ПРЯМОЙ,10 X 20 MM,ОПОРНАЯ ПЛИТА ТРАНСМИССИИ Заказать деталь

Искать в online прайсе
30 07 55 714 БОЛТ,РЕГУЛИРОВОЧНЫЙ,КРЫШКА ИЗБИРАТЕЛЯ ПЕРЕДАЧИ Заказать деталь

Искать в online прайсе
31 07 55 366 ПРУЖИНА,УПОРНАЯ,НАПРАВЛЯЮЩИЙ БОЛТ КРЫШКИ ИЗБИРАТЕЛЯ ПЕРЕДАЧИ Заказать деталь

Искать в online прайсе
32 07 55 343 ВТУЛКА,НАПРАВЛЯЮЩИЙ БОЛТ КРЫШКИ ИЗБИРАТЕЛЯ ПЕРЕДАЧ (БНО.- ПРИМЕНЯТЬ 90086144 7 55 480 ) Заказать деталь

Искать в online прайсе
33 07 55 347 ВТУЛКА,ЗАХВАТ,ШТОК ПЕРЕКЛЮЧЕНИЯ ПЕРЕДАЧ К ПРОМЕЖУТОЧНОМУ РЫЧАГУ Заказать деталь

Искать в online прайсе
34 07 55 160 ПРОКЛАДКА,КРЫШКА К КАРТЕРУ ТРАНСМИССИИ Заказать деталь

Искать в online прайсе
35 20 00 941 ВИНТ,С ШЕСТИГР.ГОЛ.,M7 X 20,КРЫШКА ИЗБИРАТЕЛЯ К КАРТЕРУ ТРАНСМИССИИ Заказать деталь

Искать в online прайсе
36 03 70 122 КРЫШКА,ДИФФЕРЕНЦИАЛ ,ALUMINIUM ЛСП Заказать деталь

Искать в online прайсе
36 03 70 020 КРЫШКА,ДИФФЕРЕНЦИАЛ ,ЧУГУН ПСП Заказать деталь

Искать в online прайсе
37 03 70 034 ПРОКЛАДКА,КРЫШКА ДИФФЕРЕНЦИАЛА К КАРТЕРУ ТРАНСМИССИИ (БЕЗ АСБЕСТА) Заказать деталь

Искать в online прайсе
38 03 70 028 ВИНТ,С ШЕСТИГР.ГОЛ.,M7 X 21,КРЫШКА ДИФФЕРЕНЦИАЛА К КАРТЕРУ ТРАНСМИССИИ Заказать деталь

Искать в online прайсе
39 07 24 632 КОЛПАЧОК,22.4 ММ Н.Д.,ДЛЯ ЗАКРЫТИЯ ОТВЕРСТИЯ ШЕСТЕРНИ,ПРИВОДИМОЙ СПИДОМЕТРОМ Заказать деталь

Искать в online прайсе
4 20 60 932 ПРОБКА,РЕЗЬБОВАЯ,M18 X 1.5,КАРТЕР ТРАНСМИССИИ Заказать деталь

Искать в online прайсе
5 07 02 551 МАГНИТ,10 X 10 MM,ПРОБКА,КАРТЕР ТРАНСМИССИИ Заказать деталь

Искать в online прайсе
6 07 02 206 ПРОБКА,МАСЛЯНЫЙ САПУН,КОРПУС ИЗБИРАТЕЛЯ Заказать деталь

Искать в online прайсе
7 04 16 541 КОЛПАЧОК,ПРОБКА МАСЛЯНОГО САПУНА Заказать деталь

Искать в online прайсе
9 06 62 847 ВТУЛКА,ТРАНСМИССИЯ К БЛОКУ ЦИЛИНДРОВ Заказать деталь

Искать в online прайсе

BBCode изображения узла для вставки в блог или на форум (спойлер)

BBCode ссылки на данную страницу для вставки в блог или на форум

HTML код ссылки на данную страницу для установки на сайт

Простая ссылка на данную страницу

Для добавления в социальные закладки, используйте иконки ниже

О проекте | Размещение рекламы | Партнеры | Статьи | Контакты | Добавить сайт в избранное
      По вопросам размещения рекламы на сайте
обращайтесь по телефону
8 (831) 413-63-27
©2009-2014 allspare.ru
Все права защищены