запчасти для, поиск по VIN, подбор колес, узнать размерность колес, заказать запчасти, продажа запчастей, цены на автозапчасти для иномарок, продажа с доставкой в регионы, адреса фирм-поставщиков, авто дилеры, автосервисы, обслуживание авто
Логин Пароль


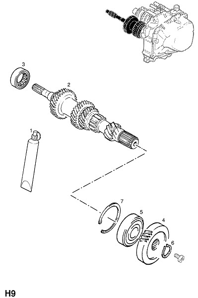
ГлавнаяКаталог OpelCORSA-CТрансмиссияТрансмиссия ручного управления f17 (Трансмиссия)


Трансмиссия ручного управления f17 (Трансмиссия)

# Оригинальный
номер
Название Заказ
2 07 08 003 ЗУБЧАТОЕ КОЛЕСО,МНОГОВЕНЦОВОЕ,ТРАНСМИССИЯ,37/31/25/13/11 ЗУБ.^КОМБИ,ФУРГОН,COMBO F06,F08,F25,F68 Заказать деталь

Искать в online прайсе
2 07 08 015 ЗУБЧАТОЕ КОЛЕСО,МНОГОВЕНЦОВОЕ,ТРАНСМИССИЯ,37/31/25/13/11 ЗУБ.^КОМБИ,ФУРГОН,COMBO F06,F08,F25,F68 Заказать деталь

Искать в online прайсе
2 07 08 004 ЗУБЧАТОЕ КОЛЕСО,МНОГОВЕНЦОВОЕ,ТРАНСМИССИЯ,33/29/22/13/11 ЗУБ.^КОМБИ,ФУРГОН F08,F68 Заказать деталь

Искать в online прайсе
2 07 08 020 ЗУБЧАТОЕ КОЛЕСО,МНОГОВЕНЦОВОЕ,ТРАНСМИССИЯ,33/29/22/13/11 ЗУБ.^КОМБИ,ФУРГОН F08,F68 Заказать деталь

Искать в online прайсе
3 07 08 153 ПОДШИПНИК,ИГОЛЬЧАТЫЙ,ВЕДУЩАЯ ШЕСТЕРНЯ Заказать деталь

Искать в online прайсе
4 57 18 054 ЗУБЧАТАЯ ПЕРЕДАЧА,ПЯТАЯ СКОРОСТЬ,МНОГОВЕНЦОВОЕ ЗУБЧАТОЕ КОЛЕСО ТРАНСМИССИИ,37 ЗУБ.^КОМБИ,ФУРГОН F08,F68 Заказать деталь

Искать в online прайсе
4 07 18 234 ЗУБЧАТАЯ ПЕРЕДАЧА,ПЯТАЯ СКОРОСТЬ,МНОГОВЕНЦОВОЕ ЗУБЧАТОЕ КОЛЕСО ТРАНСМИССИИ,37/23 ЗУБ.^КОМБИ,ФУРГОН F08,F68 Заказать деталь

Искать в online прайсе
4 07 08 019 ЗУБЧАТАЯ ПЕРЕДАЧА,ПЯТАЯ СКОРОСТЬ,МНОГОВЕНЦОВОЕ ЗУБЧАТОЕ КОЛЕСО ТРАНСМИССИИ,41 ЗУБ.^КОМБИ,ФУРГОН,COMBO F06,F08,F25,F68 Заказать деталь

Искать в online прайсе
4 07 08 306 ЗУБЧАТАЯ ПЕРЕДАЧА,ПЯТАЯ СКОРОСТЬ,МНОГОВЕНЦОВОЕ ЗУБЧАТОЕ КОЛЕСО ТРАНСМИССИИ,41 ЗУБ.^КОМБИ,ФУРГОН,COMBO F06,F08,F25,F68 Заказать деталь

Искать в online прайсе
5 07 08 471 ПОДШИПНИК,25 X 62 X 17 MM,МНОГОВЕНЦОВОЕ ЗУБЧАТОЕ КОЛЕСО Заказать деталь

Искать в online прайсе
5 07 08 474 ПОДШИПНИК,25 X 60 X 17 MM,МНОГОВЕНЦОВОЕ ЗУБЧАТОЕ КОЛЕСО Заказать деталь

Искать в online прайсе
6 07 08 378 КОЛЬЦО,УПОРНОЕ,25 X 2 MM,ПОДШИПНИК К ШЕСТЕРЕНОЧНОЙ ГРУППЕ Заказать деталь

Искать в online прайсе
7 07 20 121 КОЛЬЦО,УПОРНОЕ,62 X 2 MM,ПОДШИПНИК К УДЛИНИТЕЛЮ КАРТЕРА Заказать деталь

Искать в online прайсе
7 07 20 122 КОЛЬЦО,УПОРНОЕ,ПОДШИПНИК К УДЛИНИТЕЛЮ КАРТЕРА Заказать деталь

Искать в online прайсе

BBCode изображения узла для вставки в блог или на форум (спойлер)

BBCode ссылки на данную страницу для вставки в блог или на форум

HTML код ссылки на данную страницу для установки на сайт

Простая ссылка на данную страницу

Для добавления в социальные закладки, используйте иконки ниже

О проекте | Размещение рекламы | Партнеры | Статьи | Контакты | Добавить сайт в избранное
      По вопросам размещения рекламы на сайте
обращайтесь по телефону
8 (831) 413-63-27
©2009-2014 allspare.ru
Все права защищены