   


# |
Оригинальный номер |
Название |
Заказ |
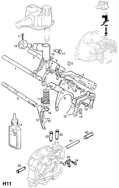
10 |
07 34 006 |
ВИЛКА,ВКЛЮЧЕНИЕ ПЕРЕДАЧ,ПЯТАЯ ПЕРЕДАЧА |
|
11 |
20 86 013 |
ШТИФТ,СПИРАЛЬНЫЙ,4.5 X 26,ИЗБИРАТЕЛЬ ПЕРЕДАЧИ |
|
11 |
20 86 013 |
ШТИФТ,СПИРАЛЬНЫЙ,4.5 X 26,ВИЛКА ИЗБИРАТЕЛЯ К ШТОКУ |
|
12 |
07 34 007 |
ВИЛКА,ВКЛЮЧЕНИЕ ПЕРЕДАЧ,ПЕРЕДАЧА ЗАДНЕГО ХОДА |
|
13 |
20 02 132 |
ВИНТ, ГОЛОВКА TORX,M8 X 20, СЕЛЕКТОР ПЯТОЙ ПЕРЕДАЧИ^КОМБИ,ФУРГОН,COMBO F06,F08,F25,F68 |
|
13 |
07 34 951 |
ВИНТ,С ФАЛЬЦ.ГОЛ.,M8 X 20,ИЗБИРАТЕЛЬ ПЯТОЙ ПЕРЕДАЧИ^КОМБИ,ФУРГОН,COMBO F06,F08,F25,F68 |
|
14 |
15 10 181 |
СОСТАВ,ЗАКРЕПЛЯЮЩИЙ,50ML,ВИНТ,ВИЛКА ИЗБИРАТЕЛЯ ПЯТОЙ ПЕРЕДАЧИ |
|
15 |
07 34 644 |
НАПРАВЛЯЮЩАЯ,ИЗБИРАТЕЛЬ ПЯТОЙ ПЕРЕДАЧИ |
|
16 |
07 55 301 |
РЫЧАГ,ИЗБИРАТЕЛЯ,ПРОМЕЖУТОЧНЫЙ (СО ВТУЛКОЙ) |
|
17 |
07 55 926 |
БОЛТ,РЫЧАГ ИЗБИРАТЕЛЯ,ПРОМЕЖУТОЧНЫЙ |
|
18 |
07 32 946 |
КОЛЬЦО,УПОРНОЕ,14,5,ВТУЛКА,РЫЧАГ ПРОМЕЖУТОЧНОЙ ПЕРЕДАЧИ |
|
19 |
07 55 302 |
ПАЛЕЦ,ПЕРЕКЛЮЧЕНИЯ,ПРОМЕЖУТОЧНЫЙ РЫЧАГ |
|
20 |
07 32 665 |
ВТУЛКА,ЗАХВАТ,БЛОКИРОВКА ШТОКА ПЕРЕКЛЮЧЕНИЯ ПЕРЕДАЧ |
|
21 |
07 32 263 |
БОЛТ,85.6 ММ ДЛИН.,УПОР ШТОКА ПЕРЕКЛЮЧЕНИЯ ПЕРЕДАЧ К ОПОРНОЙ ПЛИТЕ |
|
22 |
07 32 264 |
БОЛТ,15.6 ММ ДЛИН.,УПОР ШТОКА ПЕРЕКЛЮЧЕНИЯ ПЕРЕДАЧ К ОПОРНОЙ ПЛИТЕ |
|
23 |
07 32 341 |
СОЕДИНИТЕЛЬ,БЛОКИРОВОЧНЫЙ ШТИФТ,ШТОК ПЕРЕКЛЮЧЕНИЯ ПЕРЕДАЧ,ПЯТАЯ ПЕРЕДАЧА |
|
24 |
20 24 006 |
ВИНТ,С ФАЛЬЦ.ГОЛ.,M6 X 16,СОЕДИНИТЕЛЬ БЛОКИРОВОЧНОГО ШТИФТА ШТОКА ПЕРЕКЛЮЧЕНИЯ ПЕРЕДАЧ |
|
5 |
07 32 269 |
ШТИФТ,ПРЯМОЙ,6 X 13,ШТОК ПЕРЕКЛЮЧЕНИЯ ПЕРЕДАЧ |
|
6 |
07 32 710 |
СОБАЧКА,ПЯТАЯ ПЕРЕДАЧА |
|
7 |
07 32 887 |
ВИНТ,С ФАЛЬЦ.ГОЛ.,СОБАЧКА ПЯТОЙ ПЕРЕДАЧИ К ОПОРНОЙ ПЛИТЕ |
|
9 |
57 34 200 |
ВИЛКА,ВКЛЮЧЕНИЕ ПЕРЕДАЧ,ТРЕТЬЯ И ЧЕТВЕРТАЯ ПЕРЕДАЧА |
|
→ BBCode изображения узла для вставки в блог или на форум (спойлер)
→ BBCode ссылки на данную страницу для вставки в блог или на форум
→ HTML код ссылки на данную страницу для установки на сайт
→ Простая ссылка на данную страницу
→ Для добавления в социальные закладки, используйте иконки ниже
|