запчасти для, поиск по VIN, подбор колес, узнать размерность колес, заказать запчасти, продажа запчастей, цены на автозапчасти для иномарок, продажа с доставкой в регионы, адреса фирм-поставщиков, авто дилеры, автосервисы, обслуживание авто
Логин Пароль


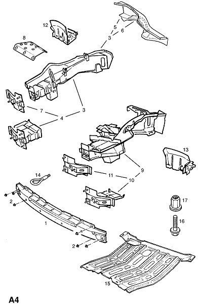
ГлавнаяКаталог OpelVECTRA-BКаркас и панели кузоваНижняя часть кузова (Каркас и панели кузова)


Нижняя часть кузова (Каркас и панели кузова)

# Оригинальный
номер
Название Заказ
1 14 05 015 ОГРАНИЧИТЕЛЬ СТОЛКНОВЕНИЯ,ПЕРЕДНИЙ КОНЕЦ Заказать деталь

Искать в online прайсе
2 20 66 167 ГАЙКА,ШЕСТИГР.,M8,ПЕРЕДНИЙ ОГРАНИЧИТЕЛЬ СТОЛКНОВЕНИЯ К ПЕРЕДНЕЙ ТРАВЕРСЕ (БНО.- ПРИМЕНЯТЬ 11094436 20 66 915 ) Заказать деталь

Искать в online прайсе
2 20 66 911 ГАЙКА,ШЕСТИГР.,M8,ПЕРЕДНИЙ ОГРАНИЧИТЕЛЬ СТОЛКНОВЕНИЯ К ПЕРЕДНЕЙ ТРАВЕРСЕ (БНО.- ПРИМЕНЯТЬ 11094436 20 66 915 ) Заказать деталь

Искать в online прайсе

BBCode изображения узла для вставки в блог или на форум (спойлер)

BBCode ссылки на данную страницу для вставки в блог или на форум

HTML код ссылки на данную страницу для установки на сайт

Простая ссылка на данную страницу

Для добавления в социальные закладки, используйте иконки ниже

О проекте | Размещение рекламы | Партнеры | Статьи | Контакты | Добавить сайт в избранное
      По вопросам размещения рекламы на сайте
обращайтесь по телефону
8 (831) 413-63-27
©2009-2014 allspare.ru
Все права защищены