   

# |
Оригинальный номер |
Название |
Заказ |
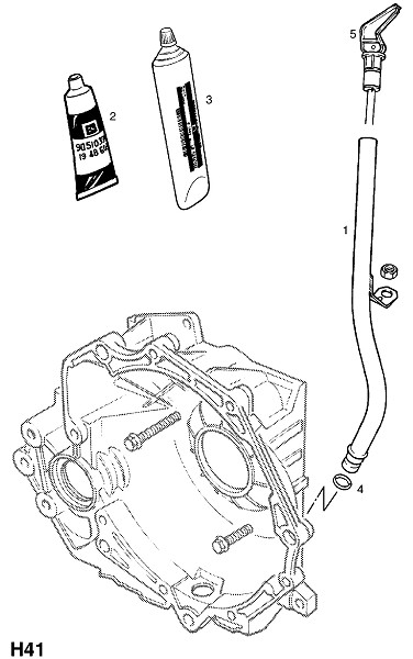
1 |
07 49 048 |
ТРУБКА,МАСЛОНАЛИВНАЯ ТРУБКА |
|
2 |
19 48 606 |
СМАЗКА,СПЕЦИАЛЬНАЯ,4ML,МАСЛОНАЛИВНАЯ ТРУБКА К КАРТЕРУ ТРАНСМИССИИ |
|
3 |
19 48 608 |
СМАЗКА,СПЕЦИАЛЬНАЯ,100 Г.,МАСЛОНАЛИВНАЯ ТРУБКА К КАРТЕРУ ТРАНСМИССИИ |
|
4 |
07 49 406 |
УПЛОТНЕНИЕ,КОЛЬЦЕВОЕ,МАСЛОНАЛИВНАЯ ТРУБКА К КАРТЕРУ ТРАНСМИССИИ (БНО.- ПРИМЕНЯТЬ 1259475 7 49 409 ) |
|
5 |
07 49 222 |
ШТОК,ИНДИКАТОР УРОВНЯ МАСЛА |
|
→ BBCode изображения узла для вставки в блог или на форум (спойлер)
→ BBCode ссылки на данную страницу для вставки в блог или на форум
→ HTML код ссылки на данную страницу для установки на сайт
→ Простая ссылка на данную страницу
→ Для добавления в социальные закладки, используйте иконки ниже
|