   


# |
Оригинальный номер |
Название |
Заказ |
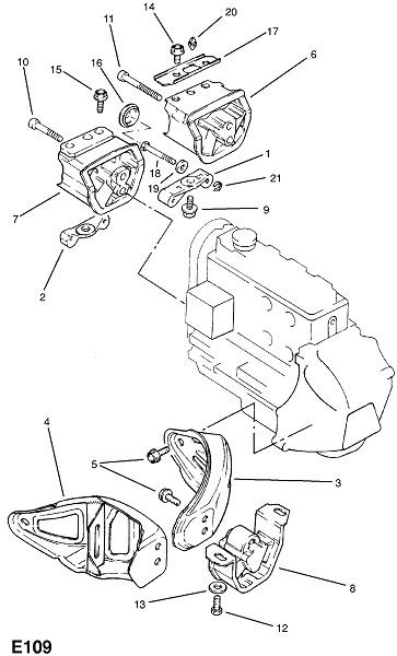
1 |
06 84 093 |
КРОНШТЕЙН,ПЕРЕДНЯЯ ПОДВЕСКА ДВИГАТЕЛЯ,П/С |
|
10 |
20 24 109 |
ВИНТ,С ФАЛЬЦ.ГОЛ.,M10 X 65,ДЕМПФЕРНЫЙ БЛОК К ТРАНСМИССИИ,П/С |
|
11 |
20 00 413 |
ВИНТ,С ФАЛЬЦ.ГОЛ.,M10 X 76,ДЕМПФЕРНЫЙ БЛОК К ТРАНСМИССИИ,П/С (БНО.- ПРИМЕНЯТЬ 11098351 20 00 936 ) |
|
12 |
20 03 080 |
ВИНТ,С ШЕСТИГР.ГОЛ.,M10 X 24,ДЕМПФЕРНЫЙ БЛОК К ЛОНЖЕРОНУ,Л/С |
|
13 |
06 84 629 |
ШАЙБА,Л/С,ДЕМПФЕРНЫЙ БЛОК К ЛОНЖЕРОНУ,10.2 X 33 X 3.5 (БНО.- ПРИМЕНЯТЬ 90498479 6 84 635 ) |
|
14 |
20 18 241 |
ВИНТ,С ШЕСТИГР.ГОЛ.,П/С,ДЕМПФЕРНЫЙ БЛОК К ЛОНЖЕРОНУ,M10 X 19 (БНО.- ПРИМЕНЯТЬ 11082105 20 18 247 ) |
|
15 |
20 00 918 |
ВИНТ,С ШЕСТИГР.ГОЛ.,П/С,ДЕМПФЕРНЫЙ БЛОК К ЛОНЖЕРОНУ,M10 X 26 (БНО.- ПРИМЕНЯТЬ 11082129 20 00 986 ) |
|
15 |
20 00 007 |
ВИНТ,С ШЕСТИГР.ГОЛ.,П/С,ДЕМПФЕРНЫЙ БЛОК К ЛОНЖЕРОНУ,M10 X 26 (БНО.- ПРИМЕНЯТЬ 11082128 20 00 918 ) |
|
16 |
06 84 520 |
ПРОБКА,ГЛУХАЯ,П/С,ДЕМПФЕРНЫЙ БЛОК К ЛОНЖЕРОНУ |
|
17 |
06 84 316 |
ПЛАСТИНА,УСИЛЕНИЯ,П/С,ДЕМПФЕРНЫЙ БЛОК К ЛОНЖЕРОНУ |
|
18 |
20 00 297 |
ВИНТ,С ШЕСТИГР.ГОЛ.,M8 X 60,ПЛАСТИНА УСИЛЕНИЯ К ЛОНЖЕРОНУ |
|
19 |
20 80 248 |
ШАЙБА,ПЛАСТИНА,8.4 X 21 X 4 (БНО.- ПРИМЕНЯТЬ 11071994 20 80 857 ) |
|
2 |
06 84 007 |
КРОНШТЕЙН,ПЕРЕДНЯЯ ПОДВЕСКА ДВИГАТЕЛЯ,П/С |
|
20 |
06 84 892 |
БОЛТ,ЦЕНТРОВОЧНЫЙ,П/С,ДЕМПФЕРНЫЙ БЛОК К ЛОНЖЕРОНУ |
|
21 |
20 80 726 |
ШАЙБА,ПРЕДОХРАНИТЕЛЬНАЯ,П/С,ДЕМПФЕРНЫЙ БЛОК К ЛОНЖЕРОНУ,8.0 |
|
3 |
06 84 004 |
КРОНШТЕЙН,ПЕРЕДНЯЯ ПОДВЕСКА ДВИГАТЕЛЯ,Л/С |
|
4 |
06 84 011 |
КРОНШТЕЙН,ПЕРЕДНЯЯ ПОДВЕСКА ДВИГАТЕЛЯ,Л/С |
|
5 |
20 00 572 |
ВИНТ,С ШЕСТИГР.ГОЛ.,Л/С,КРОНШТЕЙН К ДВИГАТЕЛЮ,M10 X 22 (БНО.- ПРИМЕНЯТЬ 11083824 20 00 935 ) |
|
6 |
06 84 267 |
БЛОК,ДЕМПФЕРНЫЙ,ПЕРЕДНЯЯ ПОДВЕСКА,П/С (ТАКЖЕ ИСПОЛЬЗУЕТСЯ 11091441 20 00 413) |
|
6 |
06 84 265 |
БЛОК,ДЕМПФЕРНЫЙ,ПЕРЕДНЯЯ ПОДВЕСКА,П/С (БНО.- ПРИМЕНЯТЬ 90334757 6 84 267W/2- 11091441 20 00 413) |
|
7 |
06 84 264 |
БЛОК,ДЕМПФЕРНЫЙ,ПЕРЕДНЯЯ ПОДВЕСКА,П/С |
|
8 |
06 84 257 |
БЛОК,ДЕМПФЕРНЫЙ,ПЕРЕДНЯЯ ПОДВЕСКА,Л/С |
|
9 |
20 00 576 |
ВИНТ,С ШЕСТИГР.ГОЛ.,M10 X 25,ДЕМПФЕРНЫЙ БЛОК К КРОНШТЕЙНУ,П/С (ТАКЖЕ ПОСТАВЛЯЕТСЯ 90265247 6 58 107 ПО ТРЕБОВАНИЮ) |
|
→ BBCode изображения узла для вставки в блог или на форум (спойлер)
→ BBCode ссылки на данную страницу для вставки в блог или на форум
→ HTML код ссылки на данную страницу для установки на сайт
→ Простая ссылка на данную страницу
→ Для добавления в социальные закладки, используйте иконки ниже
|